YOUNG MICRO SYSTEMS, INC.
VS440FX
Processor | Pentium Pro |
Processor Speed | 150/166/180/200MHz |
Chip Set | Intel |
Video Chip Set | None |
Maximum Onboard Memory | 256MB (EDO supported) |
Maximum Video Memory | None |
Cache | 256/512KB (located on Pentium Pro CPU) |
BIOS | Unidentified |
Dimensions | 305mm x 244mm |
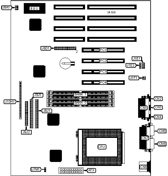
I/O Options | 32-bit PCI slots (4), CD-ROM interface, floppy drive interface, green PC connector, IDE interfaces (2), parallel port, PS/2 mouse port, serial ports (2), IR connector, wavetable connector, telephony connector, audio out connector, microphone in connector, audio in connector, MIDI/game port, ATX power connector |
NPU Options | None |

CONNECTIONS | |||
Purpose | Location | Purpose | Location |
ATX power connector | ATX | IDE interface 1 | J8J1 |
MIDI/game port | CN1 | Chassis fan power | J9A1 |
Microphone in connector | CN2 | IDE interface 2 | J9J1 |
Audio in connector | CN3 | Floppy drive interface | J9J2 |
Audio out connector | CN4 | Front panel power switch | J10H1 pins 1 & 2 |
Serial port 1 | CN5 | Green PC connector | J10H1 pins 3 & 4 |
Serial port 2 | CN6 | IR connector | J10H1 pins 6 - 11 |
Parallel port | CN7 | IDE interface LED | J10H1 pins 13 - 16 |
PS/2 mouse port | CN8 | Power LED | J10H1 pins 18 - 20 |
Wavetable connector | J1E1 | Reset switch | J10H1 pins 22 - 23 |
CD-ROM connector | J1E2 | Speaker | J10H1 pins 24 - 27 |
Telephony connector | J1F1 | 32-bit PCI slots | PC1 - PC4 |
Chassis fan power | J7M1 | ||
USER CONFIGURABLE SETTINGS | |||
Function | Label | Position | |
» | CMOS memory normal operation | J6D1 | Pins 20 & 22 closed |
CMOS memory clear | J6D1 | Pins 18 & 20 closed | |
» | Password enabled | J6D1 | Pins 27 & 29 closed |
Password disabled | J6D1 | Pins 25 & 27 closed | |
» | Setup access enabled | J6D1 | Pins 28 & 30 closed |
Setup access disabled | J6D1 | Pins 26 & 28 closed | |
» | Flash BIOS normal operation | J6D1 | Pins 4 & 6 closed |
Flash BIOS recovery mode | J6D1 | Pins 2 & 4 closed | |
DRAM CONFIGURATION | ||
Size | Bank 0 | Bank 1 |
8MB | (2) 1M x 36 | None |
16MB | (2) 2M x 36 | None |
16MB | (2) 1M x 36 | (2) 1M x 36 |
24MB | (2) 2M x 36 | (2) 1M x 36 |
32MB | (2) 4M x 36 | None |
32MB | (2) 2M x 36 | (2) 2M x 36 |
40MB | (2) 1M x 36 | (2) 4M x 36 |
48MB | (2) 4M x 36 | (2) 2M x 36 |
64MB | (2) 8M x 36 | None |
64MB | (2) 4M x 36 | (2) 4M x 36 |
72MB | (2) 8M x 36 | (2) 1M x 36 |
80MB | (2) 8M x 36 | (2) 2M x 36 |
96MB | (2) 8M x 36 | (2) 4M x 36 |
128MB | (2) 16M x 36 | None |
128MB | (2) 8M x 36 | (2) 8M x 36 |
136MB | (2) 16M x 36 | (2) 1M x 36 |
DRAM CONFIGURATION (CON’T) | ||
Size | Bank 0 | Bank 1 |
144MB | (2) 16M x 36 | (2) 2M x 36 |
160MB | (2) 16M x 36 | (2) 4M x 36 |
192MB | (2) 16M x 36 | (2) 8M x 36 |
256MB | (2) 16M x 36 | (2) 16M x 36 |
Note: Board accepts EDO memory. Board also accepts x 32 SIMMs. | ||
CACHE CONFIGURATION |
Note: 256KB or 512KB cache is located on the Pentium Pro CPU. |
CPU SPEED SELECTION | |||
CPU speed | Clock speed | Multiplier | J6D1 |
150MHz | 60MHz | 2.5x | 10 & 12, 11 & 13, 17 & 19 |
166MHz | 66MHz | 2.5x | 10 & 12, 11 & 13, 19 & 21 |
180MHz | 60MHz | 3x | 9 & 11, 12 & 14, 17 & 19 |
200MHz | 66MHz | 3x | 9 & 11, 12 & 14, 19 & 21 |
Note: Pins designated should be in the closed position. | |||