YOUNG MICRO SYSTEMS, INC.
TC430HX
Processor | Pentium |
Processor Speed | 75/90/100/120/133/150/166/180/200MHz |
Chip Set | Intel |
Video Chip Set | S3 |
Maximum Onboard Memory | 128MB (EDO supported) |
Maximum Video Memory | 2MB |
Cache | 256KB |
BIOS | Unidentified |
Dimensions | 330mm x 218mm |
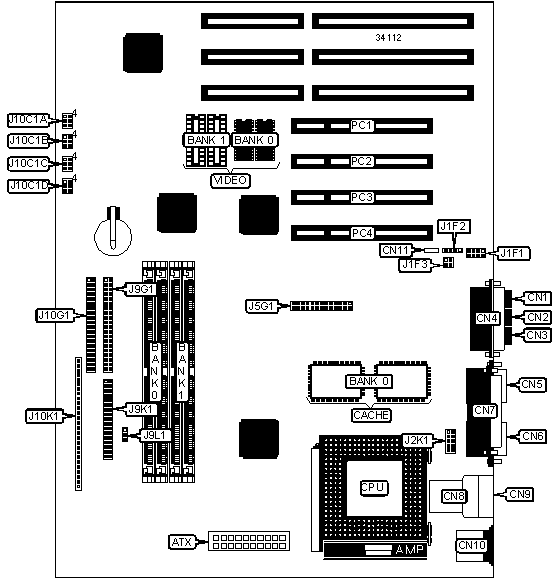
I/O Options | 32-bit PCI slots (4), floppy drive interface, green PC connector, IDE interfaces (2), parallel port, PS/2 mouse port, serial ports (2), VESA feature connector, VGA port, IR connector, USB connectors (2), MIDI/game port, line out connector, line in connector, microphone connector, CD-ROM connector, wavetable connector |
NPU Options | None |

CONNECTIONS | |||
Purpose | Location | Purpose | Location |
Microphone connector | CN1 | Serial port 2 | J2K1 |
Line in connector | CN2 | VESA feature connector | J5G1 |
Line out connector | CN3 | IDE interface 1 | J9G1 |
MIDI/game port | CN4 | Chassis fan power | J9L1 |
VGA port | CN5 | Floppy drive interface | J9K1 |
Serial port 1 | CN6 | IDE interface 2 | J10G1 |
Parallel port | CN7 | Power on connector | J10K1 pins 1 & 2 |
USB connector | CN8 | Green PC connector | J10K1 pins 3 & 4 |
USB connector | CN9 | IR connector | J10K1 pins 6 - 11 |
PS/2 mouse port | CN10 | IDE interface LED | J10K1 pins 13 - 16 |
Audio connector | CN11 | Green PC LED | J10K1 pins 18 - 21 |
Wave table connector | J1F1 | Reset switch | J10K1 pins 22 & 23 |
CD-ROM connector | J1F2 | Speaker | J10K1 pins 24 - 27 |
Modem connector | J1F3 | 32-bit PCI slots | PC1 - PC4 |
USER CONFIGURABLE SETTINGS | |||
Function | Label | Position | |
Password normal operation | J10C1A | Pins 1 & 2 closed | |
Password clear | J10C1A | Pins 2 & 3 closed | |
» | CMOS memory normal operation | J10C1A | Pins 4 & 5 closed |
CMOS memory clear | J10C1A | Pins 5 & 6 closed | |
Setup access enabled | J10C1B | Pins 1 & 2 closed | |
Setup access disabled | J10C1B | Pins 2 & 3 closed | |
DRAM CONFIGURATION | ||
Size | Bank 0 | Bank 1 |
8MB | (2) 1M x 32 | None |
16MB | (2) 2M x 32 | None |
16MB | (2) 1M x 32 | (2) 1M x 32 |
24MB | (2) 2M x 32 | (2) 1M x 32 |
24MB | (2) 1M x 32 | (2) 2M x 32 |
32MB | (2) 4M x 32 | None |
32MB | (2) 2M x 32 | (2) 2M x 32 |
40MB | (2) 4M x 32 | (2) 1M x 32 |
40MB | (2) 1M x 32 | (2) 4M x 32 |
48MB | (2) 4M x 32 | (2) 2M x 32 |
48MB | (2) 2M x 32 | (2) 4M x 32 |
64MB | (2) 8M x 32 | None |
64MB | (2) 4M x 32 | (2) 4M x 32 |
72MB | (2) 8M x 32 | (2) 1M x 32 |
DRAM CONFIGURATION (CON’T) | ||
Size | Bank 0 | Bank 1 |
72MB | (2) 1M x 32 | (2) 8M x 32 |
80MB | (2) 8M x 32 | (2) 2M x 32 |
80MB | (2) 2M x 32 | (2) 8M x 32 |
96MB | (2) 8M x 32 | (2) 4M x 32 |
96MB | (2) 4M x 32 | (2) 8M x 32 |
128MB | (2) 8M x 32 | (2) 8M x 32 |
Note: Board accepts EDO memory. Board also accepts x 32 SIMMs | ||
CACHE CONFIGURATION | |
Size | Bank 0 |
256KB | (2) 32K x 32 |
VIDEO MEMORY CONFIGURATION | ||
Size | Bank 0 | Bank 1 |
1MB | 1MB | None |
2MB | 1MB | (2) 256K x 16 |
Note: Bank 0 is factory installed and is not configurable. | ||
CPU SPEED SELECTION | ||||
CPU speed | Clock speed | Multiplier | J10C1C | J10C1D |
75MHz | 50MHz | 1.5x | 2 & 3, 5 & 6 | 1 & 2, 4 & 5 |
90MHz | 60MHz | 1.5x | 2 & 3, 4 & 5 | 1 & 2, 4 & 5 |
100MHz | 66MHz | 1.5x | 1 & 2, 5 & 6 | 1 & 2, 4 & 5 |
120MHz | 60MHz | 2x | 2 & 3, 4 & 5 | 2 & 3, 4 & 5 |
133MHz | 66MHz | 2x | 1 & 2, 5 & 6 | 2 & 3, 4 & 5 |
150MHz | 60MHz | 2.5x | 2 & 3, 4 & 5 | 2 & 3, 5 & 6 |
166MHz | 66MHz | 2.5x | 1 & 2, 5 & 6 | 2 & 3, 5 & 6 |
180MHz | 60MHz | 3x | 2 & 3, 4 & 5 | 1 & 2, 5 & 6 |
200MHz | 66MHz | 3x | 1 & 2, 5 & 6 | 1 & 2, 5 & 6 |
Note: Pins designated should be in the closed position. | ||||