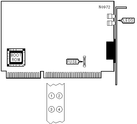
CABLETRON SYSTEMS, INC.
E2211
NIC Type | Ethernet |
Transfer Rate | 10Mbps |
Data Bus | 16-bit ISA |
Topology | Star |
Wiring Type | Redundant unshielded twisted pair |
Boot ROM | Available |

DIAGNOSTIC LED(S) | |||
LED | Color | Status | Condition |
LED1 | Green | Blinking | Data is being transmitted |
LED1 | Green | Off | Data is not being transmitted |
LED2 | Red | Blinking | Collision detected |
LED2 | Red | Off | No collision |
LED3 | Yellow | Blinking | Data is being received |
LED3 | Yellow | Off | Data is not being received |
LED4 | Green | On | Network connection is good |
LED4 | Green | Off | Network connection is broken |
Note: LED2 is always off in full duplex mode. | |||