SIEMENS NIXDORF
SYSTEM BOARD D1042
Device Type | Mainboard |
Processor | AM K6/Pentium MMX |
Processor Speed | 166/200/233MHz |
Chip Set | Unidentified |
Video Chip Set | Matrox |
Maximum Onboard Memory | 256MB (SDRAM supported) |
Maximum Video Memory | 8MB |
Cache | 512KB |
BIOS | Unidentified |
Dimensions | 305mm x 244mm |
I/O Options | 32-bit PCI slots (4), floppy drive interface, game/MIDI port, IDE interfaces (2), parallel port, PS/2 mouse port, serial port, IR connector, USB connectors (2), ATX power connector, line in, line out, microphone in, audio in – CD-ROM, wake on LAN connector |

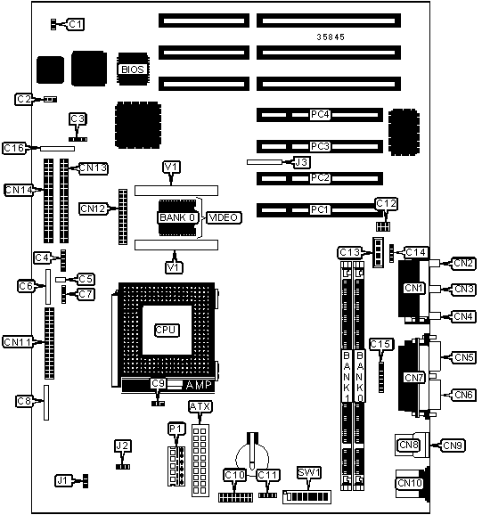
CONNECTIONS | |||
Purpose | Location | Purpose | Location |
ATX power connector | ATX | Game/MIDI port | CN1 |
Chassis fan power | C1 | Line in | CN2 |
Wake on LAN connector | C2 | Line out | CN3 |
Speaker | C3 | Microphone in | CN4 |
IR connector | C4 | VGA port | CN5 |
Soft off power supply | C5 | Serial port | CN6 |
Front panel connector | C6 | Parallel port | CN7 |
SCSI interface LED | C7 | USB connector 1 | CN8 |
Front panel connector | C8 | USB connector 2 | CN9 |
CPU fan power | C9 | PS/2 mouse port | CN10 |
Chipcard connector | C10 | Floppy drive interface | CN11 |
Chassis intrusion connector | C11 | VGA feature connector | CN12 |
Modem connector | C12 | IDE interface 1 | CN13 |
Audio in – CD-ROM | C13 | IDE interface 2 | CN14 |
Auxiliary in connector | C14 | 32-bit PCI slots | PC1 – PC4 |
Cover detection connector | C15 | 3.3v power | P1 |
I2C connector | C16 | ||
USER CONFIGURABLE SETTINGS | |||
Function | Label | Position | |
» | Factory configured - do not alter | J2 | Unidentified |
» | Factory configured - do not alter | J3 | Unidentified |
» | BIOS normal operation | SW1/5 | Off |
BIOS recovery mode | SW1/5 | On | |
» | Factory configured - do not alter | SW1/6 | Off |
» | Factory configured - do not alter | SW1/7 | Unidentified |
» | Floppy drive write protect disabled | SW1/8 | Off |
Floppy drive write protect enabled | SW1/8 | On | |
DIMM CONFIGURATION | ||
Size | Bank 0 | Bank 1 |
8MB | (1) 1M x 64 | None |
16MB | (1) 2M x 64 | None |
16MB | (1) 1M x 64 | (1) 1M x 64 |
SIMM CONFIGURATION (CON’T) | ||
Size | Bank 0 | Bank 1 |
24MB | (1) 2M x 64 | (1) 1M x 64 |
32MB | (1) 4M x 64 | None |
32MB | (1) 2M x 64 | (1) 2M x 64 |
40MB | (1) 4M x 64 | (1) 1M x 64 |
48MB | (1) 4M x 64 | (1) 2M x 64 |
64MB | (1) 8M x 64 | None |
64MB | (1) 4M x 64 | (1) 4M x 64 |
72MB | (1) 8M x 64 | (1) 1M x 64 |
80MB | (1) 8M x 64 | (1) 2M x 64 |
96MB | (1) 8M x 64 | (1) 4M x 64 |
128MB | (1) 16M x 64 | None |
128MB | (1) 8M x 64 | (1) 8M x 64 |
136MB | (1) 16M x 64 | (1) 1M x 64 |
144MB | (1) 16M x 64 | (1) 2M x 64 |
160MB | (1) 16M x 64 | (1) 4M x 64 |
192MB | (1) 16M x 64 | (1) 8M x 64 |
256MB | (1) 16M x 64 | (1) 16M x 64 |
Note: Board accepts SDRAM memory. | ||
CACHE CONFIGURATION |
Note: The location of the cache is unidentified. |
VIDEO MEMORY CONFIGURATION | ||
Size | Bank 0 | V1 |
2MB | 2MB | None |
4MB | 2MB | 2MB module installed |
8MB | 2MB | 6MB module installed |
CPU SPEED SELECTION (AM K6) | ||||||
CPU speed | Clock speed | Multiplier | SW1/1 | SW1/2 | SW1/3 | SW1/4 |
166MHz | 66MHz | 2.5x | On | Off | On | On |
200MHz | 66MHz | 3x | On | Off | Off | On |
233MHz | 66MHz | 3.5x | On | Off | Off | Off |
CPU SPEED SELECTION (INTEL MMX) | ||||||
CPU speed | Clock speed | Multiplier | SW1/1 | SW1/2 | SW1/3 | SW1/4 |
166MHz | 66MHz | 2.5x | On | Off | On | On |
200MHz | 66MHz | 3x | On | Off | Off | On |
233MHz | 66MHz | 3.5x | On | Off | Off | Off |
CPU TYPE SELECTION | |
Type | J1 |
AM K6-166/200 | Pins 1 & 2 closed |
AM K6-233 | Pins 2 & 3 closed |
Intel | Open |