SHUTTLE COMPUTER INTERNATIONAL, INC.
HOT-635
Device Type | Mainboard |
Processor | Pentium II |
Processor Speed | 233/266/300/333MHz |
Chip Set | Intel |
Video Chip Set | None |
Maximum Onboard Memory | 512MB (EDO & SDRAM supported) |
Maximum Video Memory | None |
Cache | 256/512KB (located on Pentium II CPU) |
BIOS | Award |
Dimensions | 305mm x 244mm |
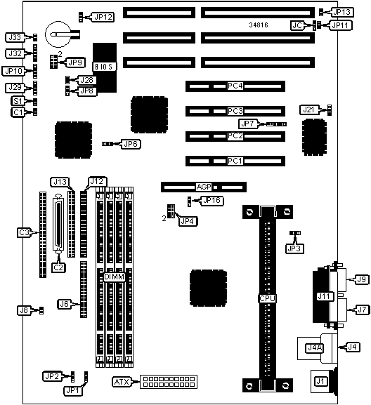
I/O Options | 32-bit PCI slots (4), floppy drive interface, IDE interfaces (2), SCSI-2 interface, Ultra SCSI Wide interface, parallel port, PS/2 mouse port, serial ports (2), IR connector, USB connectors (2), ATX power connector, AGP slot |
NPU Options | None |

CONNECTIONS | |||
Purpose | Location | Purpose | Location |
AGP slot | AGP | IDE interface 2 | J12 |
ATX power connector | ATX | IDE interface 1 | J13 |
SCSI interface LED | C1 | IDE interface LED | J29 |
Ultra SCSI Wide interface | C2 | Power LED & keylock | J32 |
SCSI-2 interface | C3 | Reset switch | J33 |
PS/2 mouse port | J1 | CPU fan power | JP1 |
USB connector 1 | J4 | Chassis fan power | JP2 |
USB connector 2 | J4A | IR connector | JP7 |
Floppy drive interface | J6 | Speaker | JP10 |
Serial port 2 | J7 | AGP fan power | JP16 |
Serial port 1 | J9 | 32-bit PCI slots | PC1 – PC4 |
Parallel port | J11 | Soft off power supply | S1 |
USER CONFIGURABLE SETTINGS | |||
Function | Label | Position | |
» | Termination enabled | J8 | Open |
Termination disabled | J8 | Closed | |
» | Factory configured - do not alter | J21 | Unidentified |
» | Factory configured - do not alter | J28 | Pins 2 & 3 closed |
» | Factory configured - do not alter | JC | Unidentified |
» | Factory configured - do not alter | JP3 | Unidentified |
» | Seagate hard drive not installed | JP6 | Pins 1 & 2 closed |
Seagate hard drive installed | JP6 | Pins 2 & 3 closed | |
» | Factory configured - do not alter | JP8 | Open |
» | Factory configured - do not alter | JP11 | Unidentified |
» | CMOS memory normal operation | JP12 | Pins 1 & 2 closed |
CMOS memory clear | JP12 | Pins 2 & 3 closed | |
» | Factory configured - do not alter | JP13 | Unidentified |
DIMM CONFIGURATION | ||||
Size | Bank 0 | Bank 1 | Bank 2 | Bank 3 |
8MB | (1) 1M x 64 | None | None | None |
16MB | (1) 2M x 64 | None | None | None |
16MB | (1) 1M x 64 | (1) 1M x 64 | None | None |
24MB | (1) 2M x 64 | (1) 1M x 64 | None | None |
24MB | (1) 1M x 64 | (1) 1M x 64 | (1) 1M x 64 | None |
32MB | (1) 4M x 64 | None | None | None |
32MB | (1) 2M x 64 | (1) 2M x 64 | None | None |
32MB | (1) 1M x 64 | (1) 1M x 64 | (1) 1M x 64 | (1) 1M x 64 |
40MB | (1) 4M x 64 | (1) 1M x 64 | None | None |
48MB | (1) 4M x 64 | (1) 2M x 64 | None | None |
48MB | (1) 2M x 64 | (1) 2M x 64 | (1) 2M x 64 | None |
64MB | (1) 2M x 64 | (1) 2M x 64 | (1) 2M x 64 | (1) 2M x 64 |
64MB | (1) 8M x 64 | None | None | None |
64MB | (1) 4M x 64 | (1) 4M x 64 | None | None |
72MB | (1) 8M x 64 | (1) 1M x 64 | None | None |
80MB | (1) 8M x 64 | (1) 2M x 64 | None | None |
96MB | (1) 8M x 64 | (1) 4M x 64 | None | None |
96MB | (1) 4M x 64 | (1) 4M x 64 | (1) 4M x 64 | None |
128MB | (1) 16M x 64 | None | None | None |
128MB | (1) 8M x 64 | (1) 8M x 64 | None | None |
128MB | (1) 4M x 64 | (1) 4M x 64 | (1) 4M x 64 | (1) 4M x 64 |
136MB | (1) 16M x 64 | (1) 1M x 64 | None | None |
144MB | (1) 16M x 64 | (1) 2M x 64 | None | None |
152MB | (1) 16M x 64 | (1) 1M x 64 | (1) 1M x 64 | (1) 1M x 64 |
160MB | (1) 16M x 64 | (1) 4M x 64 | None | None |
176MB | (1) 16M x 64 | (1) 2M x 64 | (1) 2M x 64 | (1) 2M x 64 |
192MB | (1) 16M x 64 | (1) 8M x 64 | None | None |
192MB | (1) 8M x 64 | (1) 8M x 64 | (1) 8M x 64 | None |
224MB | (1) 16M x 64 | (1) 4M x 64 | (1) 4M x 64 | (1) 4M x 64 |
256MB | (1) 16M x 64 | (1) 16M x 64 | None | None |
256MB | (1) 8M x 64 | (1) 8M x 64 | (1) 8M x 64 | (1) 8M x 64 |
272MB | (1) 16M x 64 | (1) 16M x 64 | (1) 1M x 64 | (1) 1M x 64 |
288MB | (1) 16M x 64 | (1) 16M x 64 | (1) 2M x 64 | (1) 2M x 64 |
320MB | (1) 16M x 64 | (1) 16M x 64 | (1) 4M x 64 | (1) 4M x 64 |
320MB | (1) 16M x 64 | (1) 8M x 64 | (1) 8M x 64 | (1) 8M x 64 |
384MB | (1) 16M x 64 | (1) 16M x 64 | (1) 16M x 64 | None |
512MB | (1) 16M x 64 | (1) 16M x 64 | (1) 16M x 64 | (1) 16M x 64 |
Note: Board accepts EDO & SDRAM memory. | ||||
CACHE CONFIGURATION |
Note: 256KB/512KB cache is located on the Pentium II CPU. |
CPU SPEED SELECTION | ||||
CPU speed | Clock speed | Multiplier | JP4 | JP9 |
233MHz | 66MHz | 3.5x | Open | 1 & 2, 5 & 6 |
266MHz | 66MHz | 4x | Open | 3 & 4, 5 & 6, 7 & 8 |
300MHz | 66MHz | 4.5x | Open | 3 & 4, 5 & 6 |
333MHz | 66MHz | 5x | Open | 5 & 6, 7 & 8 |
Note: Pins designated should be in the closed position. | ||||