SHUTTLE COMPUTER INTERNATIONAL, INC.
HOT-631
Device Type | Mainboard |
Processor | Pentium II |
Processor Speed | 233/266/300/333MHz |
Chip Set | Intel |
Video Chip Set | None |
Maximum Onboard Memory | 512MB (EDO & SDRAM supported) |
Maximum Video Memory | None |
Cache | 256/512KB (located on Pentium II CPU) |
BIOS | Award |
Dimensions | 305mm x 244mm |
I/O Options | 32-bit PCI slots (4), floppy drive interface, IDE interfaces (2), parallel port, PS/2 mouse port, serial ports (2), IR connector, USB connectors (2), ATX power connector, AGP slot |
NPU Options | None |

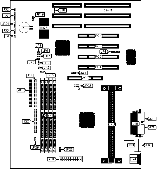
CONNECTIONS | |||
Purpose | Location | Purpose | Location |
AGP slot | AGP | Reset switch | J32 |
ATX power connector | ATX | USB connector 1 | J33 |
IDE interface 1 | J13 | USB connector 2 | J34 |
IDE interface 2 | J14 | AGP fan power | J43 |
Parallel port | J19 | IR connector | JP4 |
Serial port 1 | J20 | Speaker | JP24 |
Serial port 2 | J21 | Chassis fan power | JP28 |
Floppy drive interface | J22 | Chassis fan power | JP29 |
PS/2 mouse port | J24 | 32-bit PCI slots | PC1 – PC4 |
Power LED & keylock | J27 | Soft off power supply | S1 |
IDE interface LED | J30 | ||
USER CONFIGURABLE SETTINGS | |||
Function | Label | Position | |
» | Factory configured - do not alter | J16 | Pins 2 & 3 closed |
» | Factory configured - do not alter | J42 | Open |
» | Factory configured - do not alter | JP2 | Pins 2 & 3 closed |
» | CMOS memory normal operation | JP19 | Pins 1 & 2 closed |
CMOS memory clear | JP19 | Pins 2 & 3 closed | |
» | Seagate hard drive not installed | JP32 | Pins 1 & 2 closed |
Seagate hard drive installed | JP32 | Pins 2 & 3 closed | |
DIMM CONFIGURATION | ||||
Size | Bank 0 | Bank 1 | Bank 2 | Bank 3 |
8MB | (1) 1M x 64 | None | None | None |
16MB | (1) 2M x 64 | None | None | None |
16MB | (1) 1M x 64 | (1) 1M x 64 | None | None |
24MB | (1) 2M x 64 | (1) 1M x 64 | None | None |
24MB | (1) 1M x 64 | (1) 1M x 64 | (1) 1M x 64 | None |
32MB | (1) 4M x 64 | None | None | None |
32MB | (1) 2M x 64 | (1) 2M x 64 | None | None |
32MB | (1) 1M x 64 | (1) 1M x 64 | (1) 1M x 64 | (1) 1M x 64 |
40MB | (1) 4M x 64 | (1) 1M x 64 | None | None |
48MB | (1) 4M x 64 | (1) 2M x 64 | None | None |
48MB | (1) 2M x 64 | (1) 2M x 64 | (1) 2M x 64 | None |
64MB | (1) 2M x 64 | (1) 2M x 64 | (1) 2M x 64 | (1) 2M x 64 |
DIMM CONFIGURATION (CON’T) | ||||
Size | Bank 0 | Bank 1 | Bank 2 | Bank 3 |
64MB | (1) 8M x 64 | None | None | None |
64MB | (1) 4M x 64 | (1) 4M x 64 | None | None |
72MB | (1) 8M x 64 | (1) 1M x 64 | None | None |
80MB | (1) 8M x 64 | (1) 2M x 64 | None | None |
96MB | (1) 8M x 64 | (1) 4M x 64 | None | None |
96MB | (1) 4M x 64 | (1) 4M x 64 | (1) 4M x 64 | None |
128MB | (1) 16M x 64 | None | None | None |
128MB | (1) 8M x 64 | (1) 8M x 64 | None | None |
128MB | (1) 4M x 64 | (1) 4M x 64 | (1) 4M x 64 | (1) 4M x 64 |
136MB | (1) 16M x 64 | (1) 1M x 64 | None | None |
144MB | (1) 16M x 64 | (1) 2M x 64 | None | None |
152MB | (1) 16M x 64 | (1) 1M x 64 | (1) 1M x 64 | (1) 1M x 64 |
160MB | (1) 16M x 64 | (1) 4M x 64 | None | None |
176MB | (1) 16M x 64 | (1) 2M x 64 | (1) 2M x 64 | (1) 2M x 64 |
192MB | (1) 16M x 64 | (1) 8M x 64 | None | None |
192MB | (1) 8M x 64 | (1) 8M x 64 | (1) 8M x 64 | None |
224MB | (1) 16M x 64 | (1) 4M x 64 | (1) 4M x 64 | (1) 4M x 64 |
256MB | (1) 16M x 64 | (1) 16M x 64 | None | None |
256MB | (1) 8M x 64 | (1) 8M x 64 | (1) 8M x 64 | (1) 8M x 64 |
272MB | (1) 16M x 64 | (1) 16M x 64 | (1) 1M x 64 | (1) 1M x 64 |
288MB | (1) 16M x 64 | (1) 16M x 64 | (1) 2M x 64 | (1) 2M x 64 |
320MB | (1) 16M x 64 | (1) 16M x 64 | (1) 4M x 64 | (1) 4M x 64 |
320MB | (1) 16M x 64 | (1) 8M x 64 | (1) 8M x 64 | (1) 8M x 64 |
384MB | (1) 16M x 64 | (1) 16M x 64 | (1) 16M x 64 | None |
512MB | (1) 16M x 64 | (1) 16M x 64 | (1) 16M x 64 | (1) 16M x 64 |
Note: Board accepts EDO & SDRAM memory. | ||||
CACHE CONFIGURATION |
Note: 256KB/512KB cache is located on the Pentium II CPU. |
CPU SPEED SELECTION | |||||||
CPU speed | Clock speed | Multiplier | JP5 | JP6 | JP7 | JP8 | JP35 |
233MHz | 66MHz | 3.5x | Closed | Open | Closed | Open | Open |
266MHz | 66MHz | 4x | Open | Closed | Closed | Closed | Open |
300MHz | 66MHz | 4.5x | Open | Closed | Closed | Open | Open |
333MHz | 66MHz | 5x | Open | Open | Closed | Closed | Open |