AITECH INTERNATIONAL CORPORATION
GAMEPLAYERTV
Category | Video/Sound |
Video Types Supported | XVGA |
Video Processor | AITech International |
Highest Resolution Supported | 800 x 600 |
Data Bus Type | 8-bit ISA |
Memory Type | N/A |
Maximum Onboard Memory | None |

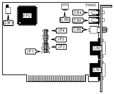
CONNECTIONS | |||
Purpose | Location | Purpose | Location |
GamePlayerTV cable connector | CN1 | Audio line-in jack | CN4 |
15-pin analog video port | CN2 | Volume control | CN5 |
Microphone jack | CN3 | Brightness control | CN6 |
DMA CHANNEL SELECTION | ||||
DRQ | DACK | JP1 | JP2 | |
| » | DRQ1 | DACK1 | Pins 2 & 3 closed | Pins 2 & 3 closed |
DRQ3 | DACK3 | Pins 1 & 2 closed | Pins 1 & 2 closed | |
INTERRUPT SELECTION | ||
IRQ | JP3 | |
| » | IRQ7 | Pins 1 & 2 closed |
IRQ2 | Pins 7 & 8 closed | |
IRQ3 | Pins 5 & 6 closed | |
IRQ5 | Pins 3 & 4 closed | |
I/O ADDRESS SELECTION | ||
ADDRESS | JP4 | |
| » | 220 | Pins 5 & 6, 7 & 8 closed |
240 | Pins 1 & 2, 3 & 4 closed | |
HORIZONTAL VIDEO SYNCHRONIZATION |
SW1 |
Toggle switch to the side which results in the best picture. |