AITECH INTERNATIONAL CORPORATION
GAMEPLAYERTV (W/O AUDIO)
Category | Video |
Video Types Supported | XVGA |
Video Processor | AITech International |
Highest Resolution Supported | 800 x 600 |
Data Bus Type | 8-bit ISA |
Memory Type | N/A |
Maximum Onboard Memory | None |

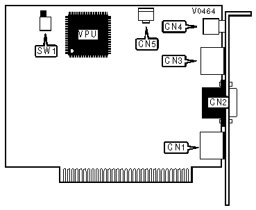
CONNECTIONS | |||
Purpose | Location | Purpose | Location |
DIN 8 connector (out to VGA card) | CN1 | RCA video port | CN4 |
15-pin analog video port | CN2 | Brightness control | CN5 |
DIN 8 connector (out to SVHS in) | CN3 | ||
HORIZONTAL VIDEO SYNCHRONIZATION |
SW1 |
Toggle switch to the side which results in the best picture. |