TIARA COMPUTER SYSTEMS, INC.
ARCNET LanCard PC
NIC Type | ARCnet |
Transfer Rate | 2.5Mbps |
Data Bus | 8-bit ISA |
Topology | Star |
Wiring Type | RG-62A/U 93ohm coaxial |
Boot ROM | Available |

NODE ADDRESS | ||||||||
Node | SW1/1 | SW1/2 | SW1/3 | SW1/4 | SW1/5 | SW1/6 | SW1/7 | SW1/8 |
0 | - | - | - | - | - | - | - | - |
1 | On | Off | Off | Off | Off | Off | Off | Off |
2 | Off | Off | Off | Off | Off | Off | On | Off |
3 | Off | Off | Off | Off | Off | Off | On | On |
4 | Off | Off | Off | Off | Off | On | Off | Off |
251 | On | On | On | On | On | Off | On | On |
252 | On | On | On | On | On | On | Off | Off |
253 | On | On | On | On | On | On | Off | On |
254 | On | On | On | On | On | On | On | Off |
255 | On | On | On | On | On | On | On | On |
Note:Node address 0 is used for messaging between nodes and must not be used. A total of 255 node address settings are available. The switches are a binary representation of the decimal node addresses. Switch 1 is the Least Significant Bit and switch 8 is the Most Significant Bit. The switches have the following decimal values: switch 1=1, 2=2, 3=4, 4=8, 5=16, 6=32, 7=64, 8=128. Turn on the switches and add the values of the on switches to obtain the correct node address. (On=1, off=0) | ||||||||
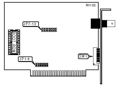
BOOT ROM | ||
Setting | JP7 | |
| » | Disabled | Open |
Enabled | Closed | |
INTERRUPT REQUEST | |||||||
IRQ | JP1 | JP2 | JP3 | JP4 | JP5 | JP6 | |
| » | 2 | Closed | Open | Open | Open | Open | Open |
3 | Open | Closed | Open | Open | Open | Open | |
4 | Open | Open | Closed | Open | Open | Open | |
5 | Open | Open | Open | Closed | Open | Open | |
6 | Open | Open | Open | Open | Closed | Open | |
7 | Open | Open | Open | Open | Open | Closed | |
RIM BUFFER ADDRESS CONFIGURATION | ||||
Buffer Address | JP8 | JP9 | JP10 | |
C0000h | Closed | Closed | Closed | |
C4000h | Open | Closed | Closed | |
CC000h | Closed | Open | Closed | |
| » | D0000h | Open | Open | Closed |
D4000h | Closed | Closed | Open | |
D8000h | Open | Closed | Open | |
DC000h | Closed | Open | Open | |
E0000h | Open | Open | Open | |
I/O BASE ADDRESS | ||||
Address | JP11 | JP12 | JP13 | |
260h | Closed | Closed | Closed | |
290h | Open | Closed | Closed | |
| » | 2E0h | Closed | Open | Closed |
2F0h | Open | Open | Closed | |
300h | Closed | Closed | Open | |
350h | Open | Closed | Open | |
380h | Closed | Open | Open | |
3E0h | Open | Open | Open | |