LANTECH COMPUTER COMPANY
PCI-NET/32
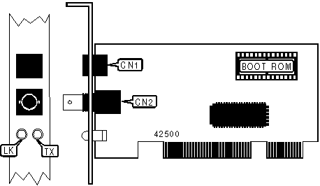
Card Type | Network Interface Card |
NIC Type | Ethernet |
Maximum Onboard Memory | Unidentified |
Boot ROM | Available |
Network Transfer Rate | 10Mbps (20Mbps full duplex) |
Topology | Linear Bus, Star |
Wiring Type | Unshielded twisted pair RG-58A/U 50ohm coaxial |
Data Bus | 32-bit PCI |

CONNECTIONS | |||
Function | Label | Function | Label |
RJ-45 UTP connector | CN1 | RG-58A/U BNC connector | CN2 |
DIAGNOSTIC LED(S) | |||
LED | Color | Status | Condition |
TX | Unidentified | Blinking | Data is being transmitted |
TX | Unidentified | Off | Data is not being transmitted |
LK | Unidentified | On | Data is either being received or a link-integrity pulse has been detected |
LK | Unidentified | Off | Data is not being received |