KATRON TECHNOLOGIES, INC.
ET16/P-S2
Card Type | Network Interface Card |
NIC Type | Ethernet |
Maximum Onboard Memory | 16 Kb |
Boot ROM | Available |
Network Transfer Rate | 10Mbps |
Topology | Linear Bus, Star |
Wiring Type | Unshielded twisted pair AUI transceiver via DB-15 port RG-58A/U 50ohm coaxial |
Data Bus | 8-bit ISA/16-bit ISA |

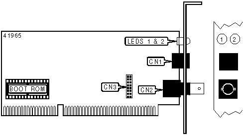
CONNECTIONS | |||
Function | Label | Function | Label |
UTP connector | CN1 | AUI bracket connector | CN3 |
RG-58A/U | CN2 | ||
DIAGNOSTIC LED(S) | |||
LED | Color | Status | Condition |
LED1 | Green | On | UTP link is good |
LED1 | Green | Off | UTP link is broken |
LED2 | Yellow | Blinking | Network data is being transmitted/received |
LED2 | Yellow | Off | No data is being transmitted/received |
LED2 | Yellow | On | Adapter failure |