COMPU-SHACK PRODUCTION, GMBH
HIGHSCREEN (ISA)
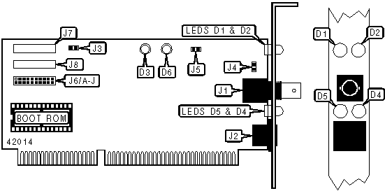
Card Type | Network Interface Card |
NIC Type | Ethernet |
Maximum Onboard Memory | Unidentified |
Boot ROM | Available |
Network Transfer Rate | 10/100Mbps |
Topology | Linear Bus, Star |
Wiring Type | Unshielded twisted pair RG-58A/U 50ohm coaxial |
Data Bus | 16-bit ISA |

CONNECTIONS | |||
Function | Label | Function | Label |
RG-58A/U connector | J1 | UTP connector | J2 |
USER CONFIGURABLE SETTINGS | ||
Function | Label | Position |
Adapter in AT slot (16-bit) | J3 | Open |
Adapter in PC slot (8-bit) | J3 | Closed |
No 50 ohm resistor connected | J4 | Open |
50 ohm resistor connected | J4 | Closed |
Factory configured - do not alter. | J6/B | Unidentified |
Factory configured - do not alter. | J6/C | Unidentified |
Factory configured - do not alter. | J6/D | Unidentified |
Factory configured - do not alter. | J6/E | Unidentified |
Factory configured - do not alter. | J6/F | Unidentified |
Factory configured - do not alter. | J6/G | Unidentified |
Factory configured - do not alter. | J6/H | Unidentified |
Factory configured - do not alter. | J6/I | Unidentified |
Factory configured - do not alter. | J6/J | Unidentified |
Factory configured - do not alter. | J7 | Unidentified |
Factory configured - do not alter. | J8 | Unidentified |
SOFTWARE CONFIGURATION SELECT | ||
Function | J5 | J6/A |
Software enabled | Closed | Closed |
Software disabled | Open | Open |
DIAGNOSTIC LED(S) | |||
LED | Color | Status | Condition |
D1 | Yellow | Blinking | Data is being transmitted |
D1 | Yellow | Off | Data is not being transmitted |
D2 | Yellow | Blinking | Data is being received |
D2 | Yellow | Off | Data is not being received |
D3 | Yellow | On | Collision detected |
D3 | Yellow | Off | No collision detected |
D4 | Green | On | UTP link is good |
D4 | Green | Off | UTP link is broken |
D5 | Red | On | Polarity reversed |
D5 | Red | Off | Polarity normal |
D6 | Yellow | On | TP time-out elapsed/TP driver disabled |
D6 | Yellow | Off | TP time-out not elapsed/TP driver enabled |