COMPU-SHACK PRODUCTION, GMBH
FASTLINE-PCI FO (100BASE TX)
Card Type | Network Interface Card |
NIC Type | Ethernet |
Maximum Onboard Memory | Unidentified |
Boot ROM | Unavailable |
Network Transfer Rate | 100Mbps (200Mbps full duplex) |
Topology | Star |
Wiring Type | Duplex-SC Fiber optic |
Data Bus | 32-bit PCI |

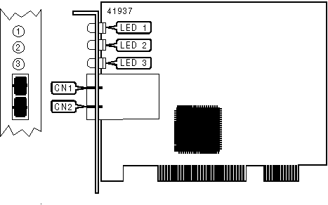
CONNECTIONS | |||
Function | Label | Function | Label |
Fiber optic connector (SC) | CN1 | Fiber optic connector (SC) | CN2 |
DIAGNOSTIC LED(S) | |||
LED | Color | Status | Condition |
LED1 | Green | On | Network connection is good |
LED1 | Green | Off | Network connection is broken |
LED2 | Green | On | Data is being received |
LED2 | Green | Off | Data is not being received |
LED3 | Green | On | Data is being transmitted |
LED3 | Green | Off | Data is not being transmitted |