ACCTON TECHNOLOGY CORPORATION
TRANSPAIR-ST (EN2033)
Card Type | Ethernet Transceiver |
NIC Type | Ethernet |
Maximum Onboard Memory | Unidentified |
Boot ROM | Not available |
Network Transfer Rate | 10Mbps |
Topology | Linear Bus |
Wiring Type | RJ-45 Unshielded twisted pair, Fiber optic cable |
Data Bus | External |

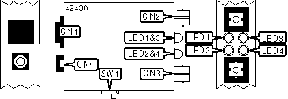
CONNECTIONS | |||
Function | Label | Function | Label |
RJ-45 connector | CN1 | ST receive connector | CN3 |
ST transmit connector | CN2 | DC power connector | CN4 |
USER CONFIGURABLE SETTINGS | ||
Function | Label | Position |
MDI function enabled | SW1 | On |
MDI function disabled | SW1 | Off |
DIAGNOSTIC LED(S) | |||
LED | Color | Status | Condition |
LED1 | Green | On | UTP network connection is good |
LED1 | Green | Off | UTP network connection is broken |
LED2 | Yellow | Blinking | Data is being transmitted or received |
LED2 | Yellow | Off | Data is not being transmitted or received |
LED3 | Green | On | Fiber network connection is good |
LED3 | Green | Off | Fiber network connection is broken |
LED4 | Green | On | Power is connected |
LED4 | Green | Off | Power is not connected |