TYAN COMPUTER CORPORATION
S1472
Processor | CX M1/SGS/IBM/Pentium |
Processor Speed | 75/90/100/120/133/150/166/200MHz |
Chip Set | Intel |
Video Chip Set | None |
Maximum Onboard Memory | 128MB (EDO supported) |
Maximum Video Memory | None |
Cache | 256/512KB |
BIOS | AMI/Award |
Dimensions | 330mm x 218mm |
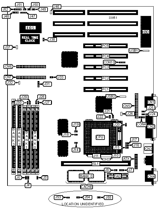
I/O Options | 32-bit PCI slots (5), floppy drive interface, IDE interfaces (2), parallel port, PS/2 mouse port, serial ports (2), cache slot, IR connectors (2), USB connectors (2), ATX power connector |
NPU Options | None |

CONNECTIONS | |||
Purpose | Location | Purpose | Location |
ATX power connector | ATX | IDE interface LED | J47 |
Serial port 1 | CN1 | Speaker | J48 |
Parallel port | CN2 | Reset switch | J49 |
PS/2 mouse port | CN3 | Turbo switch | J50 |
Serial port 2 | CN4 | Turbo LED | J51 |
Floppy drive interface | CN5 | Power LED & keylock | J52 |
IDE interface 2 | CN6 | 32-bit PCI slots | PC1 - PC5 |
IDE interface 1 | CN7 | Cache slot | SL1 |
IR connector | CON4 | USB connector 1 | USB1 |
IR connector | CON10 | USB connector 2 | USB2 |
USER CONFIGURABLE SETTINGS | |||
Function | Label | Position | |
» | Factory configured - do not alter | J10 | Unidentified |
» | Factory configured - do not alter | J11 | Unidentified |
ATX power on | J20 | Open | |
ATX power off | J20 | Closed | |
» | Factory configured - do not alter | J26 | Unidentified |
» | Factory configured - do not alter | J32 | Unidentified |
» | Factory configured - do not alter | J37 | Unidentified |
» | CMOS memory normal operation | J38 | Open |
CMOS memory clear | J38 | Closed | |
» | Factory configured - do not alter | J46 | Pins 1 & 2 closed |
DRAM CONFIGURATION | ||||
Size | Bank 0 | Bank 1 | Bank 2 | Bank 3 |
8MB | (2) 1M x 32 | None | None | None |
8MB | None | None | (1) 1M x 64 | None |
16MB | None | None | (1) 2M x 64 | None |
16MB | (2) 2M x 32 | None | None | None |
16MB | (2) 1M x 32 | (2) 1M x 32 | None | None |
32MB | (2) 2M x 32 | (2) 2M x 32 | None | None |
32MB | (2) 4M x 32 | None | None | None |
32MB | None | None | (1) 4M x 64 | None |
64MB | (2) 8M x 32 | None | None | None |
64MB | (2) 4M x 32 | (2) 4M x 32 | None | None |
64MB | (2) 4M x 32 | None | None | (1) 4M x 64 |
64MB | None | None | (1) 4M x 64 | (1) 4M x 64 |
96MB | (2) 8M x 32 | (2) 4M x 32 | None | None |
96MB | (2) 8M x 32 | None | None | (1) 4M x 64 |
128MB | (2) 8M x 32 | (2) 8M x 32 | None | None |
Note: Board accepts EDO memory. | ||||
DRAM VOLTAGE CONFIGURATION | ||||||||
Voltage | J3 | J4 | J5 | J27 | J28 | J29 | J30 | |
3.3v | Closed | Closed | Closed | Open | Open | Open | Open | |
| » | 5v | Open | Open | Open | Closed | Closed | Closed | Closed |
CACHE CONFIGURATION | |||
Size | Bank 0 | SL1 | TAG |
256KB | (2) 32K x 32 | Not installed | Unidentified |
512KB | (2) 32K x 32 | 256KB module installed | Unidentified |
CACHE JUMPER CONFIGURATION | |
Size | J7 |
256KB | Pins 2 & 3 closed |
512KB | Pins 1 & 2 closed |
CACHE TAG CONFIGURATION | |
Setting | J8 |
TAG enabled | Closed |
TAG disabled | Open |
Note: Jumper only used if COAST module is installed. | |
CPU SPEED SELECTION (CYRIX/SGS/IBM) | |||||
CPU speed | Clock speed | Multiplier | J21 | J22 | J31 |
120MHz | 50MHz | 2x | Closed | Open | 1 & 2, 3 & 4 |
150MHz | 60MHz | 2x | Closed | Open | 3 & 4 |
166MHz | 66MHz | 2x | Closed | Open | 1 & 2 |
Note: Pins designated should be in the closed position. | |||||
CPU SPEED SELECTION (INTEL) | |||||
CPU speed | Clock speed | Multiplier | J21 | J22 | J31 |
75MHz | 50MHz | 1.5x | Open | Open | 1 & 2, 3 & 4 |
90MHz | 60MHz | 1.5x | Open | Open | 3 & 4 |
100MHz | 66MHz | 1.5x | Open | Open | 1 & 2 |
120MHz | 60MHz | 2x | Closed | Open | 3 & 4 |
133MHz | 66MHz | 2x | Closed | Open | 1 & 2 |
150MHz | 60MHz | 2.5x | Closed | Closed | 3 & 4 |
166MHz | 66MHz | 2.5x | Closed | Closed | 1 & 2 |
200MHz | 66MHz | 3x | Open | Closed | 1 & 2 |
Note: Pins designated should be in the closed position. | |||||
CPU VOLTAGE SELECTION (P55C ONLY) | ||||||||
Voltage | J14 | J15 | J16 | J17 | J18 | J19 | J54 | J55 |
2.6v | Open | Open | Closed | Open | Open | Open | Closed | Closed |
2.8v | Open | Open | Open | Closed | Open | Open | Closed | Closed |
3v | Open | Closed | Open | Open | Open | Open | Closed | Closed |
POWER SUPPLY SELECTION | ||||||
Setting | J14 | J15 | J16 | J17 | J18 | |
| » | ATX | Closed | Open | Open | Open | Closed |
AT | Closed | Open | Open | Open | Closed | |
POWER SUPPLY SELECTION (CON’T) | ||||||
Setting | J19 | J33 | J53 | J54 | J55 | |
| » | ATX | Closed | Open | Open | Open | Open |
AT | Closed | Closed | Closed | Open | Closed | |
SERIAL PORT SELECTION | ||
Setting | J24 | J25 |
Used as serial port | Pins 1 & 2 closed | Pins 1 & 2 closed |
Used as IR connector | Pins 2 & 3 closed | Pins 2 & 3 closed |