TYAN COMPUTER CORPORATION
S1894SLA (ZX)
Device Type | Mainboard |
Processor | Pentium II/Celeron |
Processor Speed | 233/266/300/333/350/400/450MHz |
Chip Set | Intel 440ZX |
Maximum Onboard Memory | 256MB (SDRAM supported) |
Audio Chip Set | Ensoniq |
Cache | 0/128/256/512KB (located on the CPU) |
BIOS | Award |
Dimensions | 305mm x 244mm |
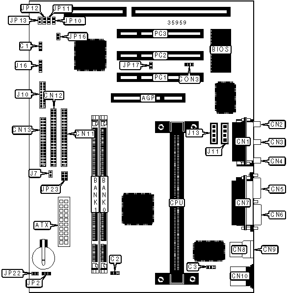
I/O Options | 32-bit PCI slots (3), floppy drive interface, game/MIDI port, green PC connector, IDE interfaces (2), parallel port, PS/2 mouse port, serial ports (2), IR connector, USB connectors (2), ATX power connector, AGP slot, line in, line out, microphone in, audio in CD-ROMs (2), wake on LAN connector |

CONNECTIONS | |||
Purpose | Location | Purpose | Location |
AGP slot | AGP | IDE interface 2 | CN11 |
ATX power connector | ATX | IDE interface 1 | CN12 |
Chassis fan power | C1 | Floppy drive interface | CN13 |
Chassis fan power | C2 | Wake on LAN connector | CON3 |
Chassis fan power | C3 | Chassis intrusion | J7 |
Game/MIDI port | CN1 | IDE interface LED | J10/pins 1 -3 |
Microphone in | CN2 | Power LED | J10/pins 2 & 4 |
Line in | CN3 | Reset switch | J10/pins 5 & 7 or 7 & 8 |
Line out | CN4 | Soft off power supply | J10/pins 6 & 8, 5 & 6 |
Serial port 2 | CN5 | Audio in CD-ROM | J11 |
Serial port 1 | CN6 | Audio in CD-ROM | J13 |
Parallel port | CN7 | Speaker | J16 |
USB connector 1 | CN8 | Green PC connector | JP16 |
USB connector 2 | CN9 | Power fan power | JP23 |
PS/2 mouse port | CN10 | 32-bit PCI slots | PC1 PC3 |
USER CONFIGURABLE SETTINGS | |||
Function | Label | Position | |
» | CMOS memory normal operation | JP2 | Pins 1 & 2 closed |
CMOS memory clear | JP2 | Pins 2 & 3 closed | |
On board sound enabled | JP17 | Open | |
On board sound disabled | JP17 | Closed | |
» | Factory configured - do not alter | JP22 | Unidentified |
DIMM CONFIGURATION | ||
Size | Bank 0 | Bank 1 |
8MB | (1) 1M x 64 | None |
16MB | (1) 2M x 64 | None |
16MB | (1) 1M x 64 | (1) 1M x 64 |
24MB | (1) 2M x 64 | (1) 1M x 64 |
32MB | (1) 4M x 64 | None |
32MB | (1) 2M x 64 | (1) 2M x 64 |
40MB | (1) 4M x 64 | (1) 1M x 64 |
48MB | (1) 4M x 64 | (1) 2M x 64 |
64MB | (1) 8M x 64 | None |
64MB | (1) 4M x 64 | (1) 4M x 64 |
72MB | (1) 8M x 64 | (1) 1M x 64 |
80MB | (1) 8M x 64 | (1) 2M x 64 |
96MB | (1) 8M x 64 | (1) 4M x 64 |
128MB | (1) 16M x 64 | None |
DIMM CONFIGURATION (CONT) | ||
Size | Bank 0 | Bank 1 |
128MB | (1) 8M x 64 | (1) 8M x 64 |
136MB | (1) 16M x 64 | (1) 1M x 64 |
144MB | (1) 16M x 64 | (1) 2M x 64 |
160MB | (1) 16M x 64 | (1) 4M x 64 |
192MB | (1) 16M x 64 | (1) 8M x 64 |
256MB | (1) 16M x 64 | (1) 16M x 64 |
Note: Board accepts SDRAM memory. | ||
CACHE CONFIGURATION |
Note: 256KB/512KB cache is located on the Pentium II CPU. 128KB cache is located on the Celeron 300A & 333 CPU. |
CPU SPEED SELECTION | ||||||
CPU speed | Clock speed | Multiplier | JP10 | JP11 | JP12 | JP13 |
233MHz | 66MHz | 3.5x | Closed | Open | Open | Closed |
266MHz | 66MHz | 4x | Open | Closed | Closed | Closed |
300MHz | 66MHz | 4.5x | Open | Closed | Open | Closed |
333MHz | 66MHz | 5x | Open | Open | Closed | Closed |
350MHz | 100MHz | 3.5x | Closed | Open | Open | Closed |
400MHz | 100MHz | 4x | Open | Closed | Closed | Closed |
450MHz | 100MHz | 4.5x | Open | Closed | Open | Closed |