TEKRAM TECHNOLOGY CO., LTD.
P6L40-A4(X)
Device Type | Mainboard |
Processor | Pentium II |
Processor Speed | 233/266/300/333MHz |
Chip Set | Intel 440LX |
Maximum Onboard Memory | 512MB (EDO & SDRAM supported) |
Cache | 256/512KB (located on Pentium II CPU) |
BIOS | Award |
Dimensions | 305mm x 195mm |
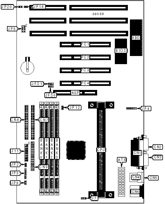
I/O Options | 32-bit PCI slots (4), floppy drive interface, green PC connector, IDE interfaces (2), parallel port, PS/2 mouse port, serial ports (2), IR connector, USB connectors (2), ATX power connector, AGP slot |

CONNECTIONS | |||
Purpose | Location | Purpose | Location |
AGP slot | AGP | Turbo LED | J11/pins 3 & 5 |
ATX power connector | ATX | Green PC connector | J11/pins 7 & 9 |
Parallel port | CN1 | Speaker | J11/pins 14/16/18/20 |
Serial port 2 | CN2 | Reset switch | J11/pins 17 & 19 |
Serial port 1 | CN3 | IDE interface LED | JP2 |
USB connector 1 | CN4 | IR connector | JP3 |
USB connector 2 | CN5 | IR connector | JP4 |
PS/2 mouse port | CN6 | Soft off power supply | JP9 |
Floppy drive interface | CN7 | Temperature sensor | JP12 |
IDE interface 2 | CN8 | Chassis fan power | JP18 |
IDE interface 1 | CN9 | Chassis intrusion | JP20 |
Chassis fan power | J7 | 32-bit PCI slots | PC1 - PC4 |
Power LED & keylock | J11/pins 2/4/6/8/10 | ||
DIMM CONFIGURATION | ||||
Size | Bank 0 | Bank 1 | Bank 2 | Bank 3 |
8MB | (1) 1M x 64 | None | None | None |
16MB | (1) 2M x 64 | None | None | None |
16MB | (1) 1M x 64 | (1) 1M x 64 | None | None |
24MB | (1) 2M x 64 | (1) 1M x 64 | None | None |
24MB | (1) 1M x 64 | (1) 1M x 64 | (1) 1M x 64 | None |
32MB | (1) 4M x 64 | None | None | None |
32MB | (1) 2M x 64 | (1) 2M x 64 | None | None |
32MB | (1) 1M x 64 | (1) 1M x 64 | (1) 1M x 64 | (1) 1M x 64 |
40MB | (1) 4M x 64 | (1) 1M x 64 | None | None |
48MB | (1) 4M x 64 | (1) 2M x 64 | None | None |
48MB | (1) 2M x 64 | (1) 2M x 64 | (1) 2M x 64 | None |
64MB | (1) 2M x 64 | (1) 2M x 64 | (1) 2M x 64 | (1) 2M x 64 |
64MB | (1) 8M x 64 | None | None | None |
64MB | (1) 4M x 64 | (1) 4M x 64 | None | None |
72MB | (1) 8M x 64 | (1) 1M x 64 | None | None |
80MB | (1) 8M x 64 | (1) 2M x 64 | None | None |
96MB | (1) 8M x 64 | (1) 4M x 64 | None | None |
96MB | (1) 4M x 64 | (1) 4M x 64 | (1) 4M x 64 | None |
128MB | (1) 16M x 64 | None | None | None |
128MB | (1) 8M x 64 | (1) 8M x 64 | None | None |
128MB | (1) 4M x 64 | (1) 4M x 64 | (1) 4M x 64 | (1) 4M x 64 |
136MB | (1) 16M x 64 | (1) 1M x 64 | None | None |
144MB | (1) 16M x 64 | (1) 2M x 64 | None | None |
176MB | (1) 16M x 64 | (1) 2M x 64 | (1) 2M x 64 | (1) 2M x 64 |
192MB | (1) 16M x 64 | (1) 8M x 64 | None | None |
192MB | (1) 8M x 64 | (1) 8M x 64 | (1) 8M x 64 | None |
256MB | (1) 16M x 64 | (1) 16M x 64 | None | None |
DIMM CONFIGURATION (CON'T) | ||||
Size | Bank 0 | Bank 1 | Bank 2 | Bank 3 |
256MB | (1) 8M x 64 | (1) 8M x 64 | (1) 8M x 64 | (1) 8M x 64 |
272MB | (1) 16M x 64 | (1) 16M x 64 | (1) 1M x 64 | (1) 1M x 64 |
288MB | (1) 16M x 64 | (1) 16M x 64 | (1) 2M x 64 | (1) 2M x 64 |
320MB | (1) 16M x 64 | (1) 16M x 64 | (1) 4M x 64 | (1) 4M x 64 |
384MB | (1) 16M x 64 | (1) 16M x 64 | (1) 16M x 64 | None |
512MB | (1) 16M x 64 | (1) 16M x 64 | (1) 16M x 64 | (1) 16M x 64 |
Note: Board accepts EDO & SDRAM memory. | ||||
CACHE CONFIGURATION |
Note: 256KB/512KB cache is located on the Pentium II CPU. |
CPU SPEED SELECTION | |||||
CPU speed | Clock speed | Multiplier | JFS0 | JFS1 | JP5 |
233MHz | 66MHz | 3.5x | 1 & 2 | 1 & 2 | 1 & 2, 7 & 8 |
240MHz | 60MHz | 4x | 2 & 3 | 1 & 2 | 1 & 2, 3 & 4, 5 & 6 |
266MHz | 66MHz | 4x | 1 & 2 | 1 & 2 | 1 & 2, 3 & 4, 5 & 6 |
270MHz | 60MHz | 4.5x | 2 & 3 | 1 & 2 | 1 & 2, 5 & 6 |
300MHz | 66MHz | 4.5x | 1 & 2 | 1 & 2 | 1 & 2, 5 & 6 |
333MHz | 66MHz | 5x | 1 & 2 | 1 & 2 | 1 & 2, 3 & 4 |
366MHz | 66MHz | 5.5x | 1 & 2 | 1 & 2 | 1 & 2 |
Note: Pins designated should be in the closed position. | |||||