TEKRAM TECHNOLOGY CO., LTD.
P6B40-A4Z
Device Type | Mainboard |
Processor | Pentium II/Celeron |
Processor Speed | 233/266/300/333/350/366/400/450/500/550MHz |
Chip Set | Intel 440ZX |
Maximum Onboard Memory | 256MB (EDO & SDRAM supported) |
Cache | 0/128/256/512KB (located on the CPU) |
BIOS | Award |
Dimensions | 305mm x 170mm |
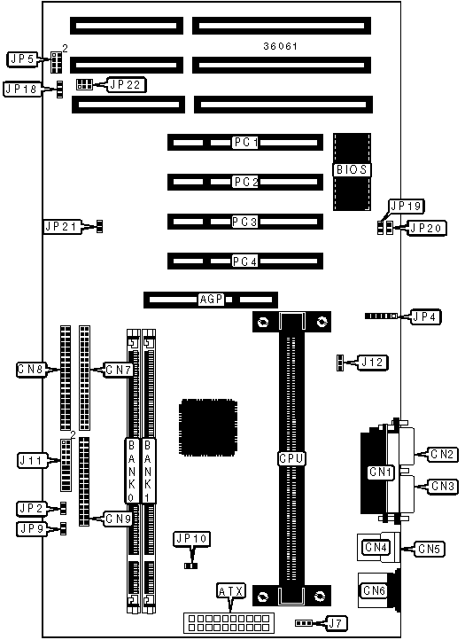
I/O Options | 32-bit PCI slots (4), floppy drive interface, green PC connector, IDE interfaces (2), parallel port, PS/2 mouse port, serial ports (2), IR connector, USB connectors (2), ATX power connector, AGP slot, wake on LAN connector, SB-link connector |

CONNECTIONS | |||
Purpose | Location | Purpose | Location |
AGP slot | AGP | Turbo LED | J11/pins 3 & 5 |
ATX power connector | ATX | Green PC connector | J11/pins 7 & 9 |
Parallel port | CN1 | Speaker | J11/pins 14/16/18/20 |
Serial port 2 | CN2 | Reset switch | J11/pins 17 & 19 |
Serial port 1 | CN3 | Wake on LAN connector | J12 |
USB connector 1 | CN4 | IDE interface LED | JP2 |
USB connector 2 | CN5 | IR connector | JP4 |
PS/2 mouse port | CN6 | Soft off power supply | JP9 |
Floppy drive interface | CN7 | Temperature sensor | JP10 |
IDE interface 2 | CN8 | Chassis fan power | JP18 |
IDE interface 1 | CN9 | Chassis intrusion | JP20 |
Chassis fan power | J7 | SB-link connector | JP22 |
Power LED & keylock | J11/pins 2/4/6/8/10 | 32-bit PCI slots | PC1 - PC4 |
USER CONFIGURABLE SETTINGS | |||
Function | Label | Position | |
Power state function enabled | JP19 | Closed | |
Power state function disabled | JP19 | Open | |
DIMM CONFIGURATION | ||
Size | Bank 0 | Bank 1 |
8MB | (1) 1M x 64 | None |
16MB | (1) 2M x 64 | None |
16MB | (1) 1M x 64 | (1) 1M x 64 |
24MB | (1) 2M x 64 | (1) 1M x 64 |
32MB | (1) 4M x 64 | None |
32MB | (1) 2M x 64 | (1) 2M x 64 |
40MB | (1) 4M x 64 | (1) 1M x 64 |
48MB | (1) 4M x 64 | (1) 2M x 64 |
64MB | (1) 8M x 64 | None |
64MB | (1) 4M x 64 | (1) 4M x 64 |
72MB | (1) 8M x 64 | (1) 1M x 64 |
80MB | (1) 8M x 64 | (1) 2M x 64 |
96MB | (1) 8M x 64 | (1) 4M x 64 |
128MB | (1) 16M x 64 | None |
128MB | (1) 8M x 64 | (1) 8M x 64 |
136MB | (1) 16M x 64 | (1) 1M x 64 |
144MB | (1) 16M x 64 | (1) 2M x 64 |
160MB | (1) 16M x 64 | (1) 4M x 64 |
192MB | (1) 16M x 64 | (1) 8M x 64 |
256MB | (1) 16M x 64 | (1) 16M x 64 |
Note: Board accepts EDO & SDRAM memory. | ||
CACHE CONFIGURATION |
Note: 256KB/512KB cache is located on the Pentium II CPU. 128KB cache is located on the Celeron 300A & 333 CPU. |
CPU SPEED SELECTION | ||||
CPU speed | Clock speed | Multiplier | JP5 | JP21 |
233MHz | 66MHz | 3.5x | 1 & 2, 7 & 8 | Closed |
266MHz | 66MHz | 4x | 1 & 2, 3 & 4, 5 & 6 | Closed |
300MHz | 66MHz | 4.5x | 1 & 2, 5 & 6 | Closed |
333MHz | 66MHz | 5x | 1 & 2, 3 & 4 | Closed |
366MHz | 66MHz | 5.5x | 1 & 2 | Closed |
350MHz | 100MHz | 3.5x | 1 & 2, 7 & 8 | Open |
400MHz | 100MHz | 4x | 1 & 2, 3 & 4, 5 & 6 | Open |
450MHz | 100MHz | 4.5x | 1 & 2, 5 & 6 | Open |
500MHz | 100MHz | 5x | 1 & 2, 3 & 4 | Open |
550MHz | 100MHz | 5.5x | 1 & 2 | Open |
Note: Pins designated should be in the closed position. | ||||