TECHMEDIA COMPUTER SYSTEMS CORPORATION
TMB-I430VX-ATX
Processor | CX M1/AM K5/Pentium |
Processor Speed | 75/90/100/120/133/150/166/180/200MHz |
Chip Set | Intel |
Video Chip Set | S3 |
Maximum Onboard Memory | 128MB (EDO supported) |
Maximum Video Memory | 2MB |
Cache | 256/512KB |
BIOS | Award |
Dimensions | 280mm x 224mm |
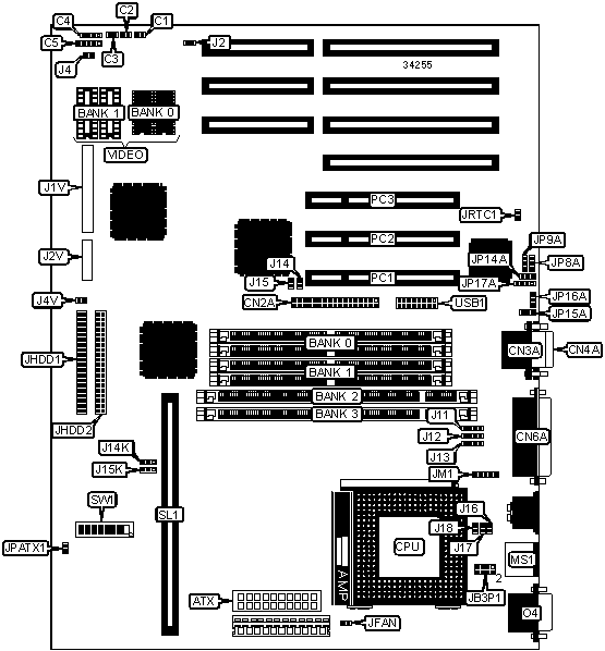
I/O Options | 32-bit PCI slots (3), floppy drive interface, green PC connector, IDE interfaces (2), parallel port, PS/2 mouse port, PS/2 mouse interface, serial ports (2), VGA port, cache slot, IR connector, USB connector, ATX power connector |
NPU Options | None |

CONNECTIONS | |||
Purpose | Location | Purpose | Location |
ATX power supply | ATX | Chassis fan power | JFAN |
IDE interface LED | C1 | Soft off power supply | JPATX1 |
Green PC connector | C2 | IDE interface 1 | JHDD1 |
Reset switch | C3 | IDE interface 2 | JHDD2 |
Speaker | C4 | IR connector | JP17A |
Power LED & keylock | C5 | PS/2 mouse interface | JM1 |
Floppy drive interface | CN2A | PS/2 mouse port | MS1 |
Serial port 1 | CN3A | VGA port | O4 |
Serial port 2 | CN4A | 32-bit PCI slots | PC1 – PC3 |
Parallel port | CN6A | Cache slot | SL1 |
Green PC LED | J4 | USB connector | USB1 |
USER CONFIGURABLE SETTINGS | |||
Function | Label | Position | |
» | Factory configured - do not alter | J2 | Unidentified |
» | Factory configured - do not alter | J14 | Unidentified |
» | Factory configured - do not alter | J15 | Unidentified |
» | Factory configured - do not alter | J18 | Unidentified |
» | Factory configured - do not alter | J1V | Unidentified |
» | Factory configured - do not alter | J2V | Unidentified |
» | Factory configured - do not alter | JP8A | Unidentified |
» | Factory configured - do not alter | JP9A | Unidentified |
» | Factory configured - do not alter | JP14A | Unidentified |
» | Factory configured - do not alter | JP15A | Unidentified |
» | Factory configured - do not alter | JP16A | Unidentified |
» | CMOS memory normal operation | JRTC1 | Open |
CMOS memory clear | JRTC1 | Closed | |
DIMM/DRAM CONFIGURATION | ||||
Size | Bank 0 | Bank 1 | Bank 2 | Bank 3 |
8MB | (2) 1M x 36 | None | None | None |
8MB | None | None | (1) 1M x 64 | None |
16MB | None | None | (1) 2M x 64 | None |
16MB | (2) 1M x 36 | (2) 1M x 36 | None | None |
24MB | (2) 1M x 36 | (2) 2M x 36 | None | None |
24MB | (2) 2M x 36 | None | None | (1) 1M x 64 |
32MB | (2) 4M x 36 | None | None | None |
32MB | None | None | (1) 4M x 64 | None |
32MB | None | None | (1) 2M x 64 | (1) 2M x 64 |
32MB | (2) 2M x 36 | (2) 2M x 36 | None | None |
40MB | (2) 1M x 36 | (2) 4M x 36 | None | None |
40MB | (2) 4M x 36 | None | None | (1) 1M x 64 |
DIMM/DRAM CONFIGURATION (CON’T) | ||||
Size | Bank 0 | Bank 1 | Bank 2 | Bank 3 |
48MB | (2) 2M x 36 | (2) 4M x 36 | None | None |
48MB | (2) 2M x 36 | None | (1) 4M x 64 | None |
64MB | (2) 8M x 36 | None | None | None |
64MB | None | None | None | (1) 8M x 64 |
64MB | (2) 4M x 36 | (2) 4M x 36 | None | None |
64MB | None | None | (1) 4M x 64 | (1) 4M x 64 |
72MB | (2) 8M x 36 | (2) 1M x 36 | None | None |
72MB | (2) 8M x 36 | None | None | (1) 1M x 64 |
80MB | (2) 2M x 36 | None | None | (1) 8M x 64 |
80MB | (2) 8M x 36 | (2) 2M x 36 | None | None |
80MB | (2) 8M x 36 | None | None | (1) 2M x 64 |
96MB | (2) 8M x 36 | (2) 4M x 36 | None | None |
96MB | (2) 4M x 36 | None | None | (1) 8M x 64 |
96MB | (2) 8M x 36 | None | None | (1) 4M x 64 |
128MB | (2) 8M x 36 | (2) 8M x 36 | None | None |
Note: Board accepts EDO memory. Banks 0 & 1, 2 & 3 are interchangeable. | ||||
DIMM VOLTAGE CONFIGURATION | |||
Voltage | J11 | J12 | J13 |
3.3v | Pins 1 & 2 closed | Pins 1 & 2 closed | Pins 1 & 2 closed |
5v | Pins 3 & 4 closed | Pins 3 & 4 closed | Pins 3 & 4 closed |
CACHE CONFIGURATION | ||
Size | Bank 0 | SL1 |
256KB (A) | (2) 32K x 32 | Not installed |
256KB (B) | (2) 32K x 32 | 256KB module installed |
512KB | (2) 64K x 32 | Not installed |
Note: The location of bank 0 is unidentified. | ||
CACHE JUMPER CONFIGURATION | ||
Size | J14K | J15K |
256KB (A) | Pins 1 & 2 closed | Pins 2 & 3 closed |
256KB (B) | Pins 2 & 3 closed | Pins 2 & 3 closed |
512KB | Pins 2 & 3 closed | Pins 1 & 2 closed |
VIDEO MEMORY CONFIGURATION | ||
Size | Bank 0 | Bank 1 |
1MB | (2) 256K x 16 | None |
2MB | (2) 256K x 16 | (2) 256K x 16 |
CPU SPEED SELECTION (CYRIX) | ||||||
CPU speed | Clock speed | Multiplier | SW1/1 | SW1/2 | SW1/3 | SW1/4 |
120MHz | 50MHz | 1.5x | Off | Off | On | Off |
150MHz | 60MHz | 1.5x | On | On | Off | Off |
166MHz | 66MHz | 1.5x | On | Off | Off | Off |
CPU SPEED SELECTION (CYRIX, CON’T) | ||||||
CPU speed | Clock speed | Multiplier | SW1/5 | SW1/6 | SW1/7 | SW1/8 |
120MHz | 50MHz | 2x | Off | On | On | Off |
150MHz | 60MHz | 2x | Off | On | On | Off |
166MHz | 66MHz | 2x | Off | On | On | Off |
CPU SPEED SELECTION (AMD) | ||||||
CPU speed | Clock speed | Multiplier | SW1/1 | SW1/2 | SW1/3 | SW1/4 |
75MHz | 50MHz | 1.5x | Off | Off | On | Off |
90MHz | 60MHz | 1.5x | On | On | Off | Off |
100MHz | 66MHz | 1.5x | On | Off | Off | Off |
CPU SPEED SELECTION (AMD, CON’T) | ||||||
CPU speed | Clock speed | Multiplier | SW1/5 | SW1/6 | SW1/7 | SW1/8 |
75MHz | 50MHz | 1.5x | On | Off | On | Off |
90MHz | 60MHz | 1.5x | On | Off | On | Off |
100MHz | 66MHz | 1.5x | On | Off | On | Off |
CPU SPEED SELECTION (INTEL) | ||||||
CPU speed | Clock speed | Multiplier | SW1/1 | SW1/2 | SW1/3 | SW1/4 |
75MHz | 50MHz | 1.5x | Off | Off | On | Off |
90MHz | 60MHz | 1.5x | On | On | Off | Off |
100MHz | 66MHz | 1.5x | On | Off | Off | Off |
120MHz | 60MHz | 2x | On | On | Off | Off |
133MHz | 66MHz | 2x | On | Off | Off | Off |
150MHz | 60MHz | 2.5x | On | On | Off | Off |
166MHz | 66MHz | 2.5x | On | Off | Off | Off |
180MHz | 60MHz | 3x | On | On | Off | Off |
200MHz | 66MHz | 3x | On | Off | Off | Off |
CPU SPEED SELECTION (INTEL, CON’T) | ||||||
CPU speed | Clock speed | Multiplier | SW1/5 | SW1/6 | SW1/7 | SW1/8 |
75MHz | 50MHz | 1.5x | On | Off | On | Off |
90MHz | 60MHz | 1.5x | On | Off | On | Off |
100MHz | 66MHz | 1.5x | On | Off | On | Off |
120MHz | 60MHz | 2x | Off | On | On | Off |
133MHz | 66MHz | 2x | Off | On | On | Off |
150MHz | 60MHz | 2.5x | Off | On | Off | On |
166MHz | 66MHz | 2.5x | Off | On | Off | On |
180MHz | 60MHz | 3x | On | Off | Off | On |
200MHz | 66MHz | 3x | On | Off | Off | On |
CPU VOLTAGE SELECTION | ||||
Voltage | V core | J16 | J17 | JB3P1 |
3v | 2.8v | Closed | Closed | Open |
3.3v | 3.3v | Open | Open | 1 & 2, 3 & 3, 5 & 6, 7 & 8 |