SHUTTLE COMPUTER INTERNATIONAL, INC.
HOT-623
Device Type | Mainboard |
Processor | Pentium II |
Processor Speed | 233/266/300MHz |
Chip Set | Intel |
Video Chip Set | None |
Maximum Onboard Memory | 1GB (EDO supported) |
Maximum Video Memory | None |
Cache | 256/512KB (located on Pentium II CPU) |
BIOS | Award |
Dimensions | 305mm x 240mm |
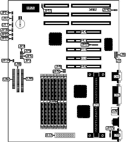
I/O Options | 32-bit PCI slots (5), floppy drive interface, green PC connector, IDE interfaces (2), parallel port, PS/2 mouse port, serial ports (2), IR connector, USB connectors (2), ATX power connector |
NPU Options | None |

CONNECTIONS | |||
Purpose | Location | Purpose | Location |
ATX power connector | ATX | Speaker | J11 |
Serial port 2 | CN1 | Power LED & keylock | J12 |
Parallel port | CN2 | IDE interface LED | JP21 |
PS/2 mouse port | CN3 | Green PC connector | JP22 |
Serial port 1 | CN4 | Reset switch | JP24 |
IDE interface 1 | CN5 | Chassis fan power | JP25 |
IDE interface 2 | CN6 | IR connector | JP29 |
Floppy drive interface | CN7 | Green PC LED | JP36 |
USB connector 1 | J6 | 32-bit PCI slots | PC1 – PC5 |
USB connector 2 | J7 | ||
USER CONFIGURABLE SETTINGS | |||
Function | Label | Position | |
Flash BIOS voltage select 12v | JP15 | Pins 1 & 2 closed | |
Flash BIOS voltage select 5v | JP15 | Pins 2 & 3 closed | |
» | Factory configured – do not alter | JP34 | Unidentified |
» | CMOS memory normal operation | JP42 | Pins 1 & 2 closed |
CMOS memory clear | JP42 | Pins 2 & 3 closed | |
SIMM CONFIGURATION | ||||
Size | Bank 0 | Bank 1 | Bank 2 | Bank 3 |
8MB | (2) 1M x 36 | None | None | None |
16MB | (2) 2M x 36 | None | None | None |
16MB | (2) 1M x 36 | (2) 1M x 36 | None | None |
24MB | (2) 2M x 36 | (2) 1M x 36 | None | None |
24MB | (2) 1M x 36 | (2) 1M x 36 | (2) 1M x 36 | None |
32MB | (2) 4M x 36 | None | None | None |
32MB | (2) 2M x 36 | (2) 2M x 36 | None | None |
32MB | (2) 1M x 36 | (2) 1M x 36 | (2) 1M x 36 | (2) 1M x 36 |
40MB | (2) 4M x 36 | (2) 1M x 36 | None | None |
48MB | (2) 4M x 36 | (2) 2M x 36 | None | None |
48MB | (2) 2M x 36 | (2) 2M x 36 | (2) 2M x 36 | None |
64MB | (2) 2M x 36 | (2) 2M x 36 | (2) 2M x 36 | (2) 2M x 36 |
SIMM CONFIGURATION (CON’T) | ||||
Size | Bank 0 | Bank 1 | Bank 2 | Bank 3 |
64MB | (2) 8M x 36 | None | None | None |
64MB | (2) 4M x 36 | (2) 4M x 36 | None | None |
72MB | (2) 8M x 36 | (2) 1M x 36 | None | None |
80MB | (2) 8M x 36 | (2) 2M x 36 | None | None |
96MB | (2) 8M x 36 | (2) 4M x 36 | None | None |
96MB | (2) 4M x 36 | (2) 4M x 36 | (2) 4M x 36 | None |
128MB | (2) 16M x 36 | None | None | None |
128MB | (2) 8M x 36 | (2) 8M x 36 | None | None |
128MB | (2) 4M x 36 | (2) 4M x 36 | (2) 4M x 36 | (2) 4M x 36 |
136MB | (2) 16M x 36 | (2) 1M x 36 | None | None |
144MB | (2) 16M x 36 | (2) 2M x 36 | None | None |
152MB | (2) 16M x 36 | (2) 1M x 36 | (2) 1M x 36 | (2) 1M x 36 |
160MB | (2) 16M x 36 | (2) 4M x 36 | None | None |
176MB | (2) 16M x 36 | (2) 2M x 36 | (2) 2M x 36 | (2) 2M x 36 |
192MB | (2) 16M x 36 | (2) 8M x 36 | None | None |
192MB | (2) 8M x 36 | (2) 8M x 36 | (2) 8M x 36 | None |
224MB | (2) 16M x 36 | (2) 4M x 36 | (2) 4M x 36 | (2) 4M x 36 |
256MB | (2) 32M x 36 | None | None | None |
256MB | (2) 16M x 36 | (2) 16M x 36 | None | None |
256MB | (2) 8M x 36 | (2) 8M x 36 | (2) 8M x 36 | (2) 8M x 36 |
272MB | (2) 16M x 36 | (2) 16M x 36 | (2) 1M x 36 | (2) 1M x 36 |
280MB | (2) 32M x 36 | (2) 1M x 36 | (2) 1M x 36 | (2) 1M x 36 |
288MB | (2) 16M x 36 | (2) 16M x 36 | (2) 2M x 36 | (2) 2M x 36 |
304MB | (2) 32M x 36 | (2) 2M x 36 | (2) 2M x 36 | (2) 2M x 36 |
320MB | (2) 16M x 36 | (2) 16M x 36 | (2) 4M x 36 | (2) 4M x 36 |
320MB | (2) 16M x 36 | (2) 8M x 36 | (2) 8M x 36 | (2) 8M x 36 |
352MB | (2) 32M x 36 | (2) 4M x 36 | (2) 4M x 36 | (2) 4M x 36 |
384MB | (2) 16M x 36 | (2) 16M x 36 | (2) 16M x 36 | None |
448MB | (2) 32M x 36 | (2) 8M x 36 | (2) 8M x 36 | (2) 8M x 36 |
512MB | (2) 32M x 36 | (2) 32M x 36 | None | None |
512MB | (2) 16M x 36 | (2) 16M x 36 | (2) 16M x 36 | (2) 16M x 36 |
640MB | (2) 32M x 36 | (2) 16M x 36 | (2) 16M x 36 | (2) 16M x 36 |
768MB | (2) 32M x 36 | (2) 32M x 36 | (2) 32M x 36 | None |
1024MB | (2) 32M x 36 | (2) 32M x 36 | (2) 32M x 36 | (2) 32M x 36 |
Note: Board accepts EDO memory. | ||||
CACHE CONFIGURATION |
Note: 256KB/512KB cache is located on the Pentium II CPU. |
CPU SPEED SELECTION | ||||||||
CPU speed | Clock speed | Multiplier | JP4 | JP5 | JP6 | JP7 | JP8 | JP9 |
233MHz | 66MHz | 3.5x | Open | Open | Closed | Closed | Open | Closed |
266MHz | 66MHz | 4x | Closed | Closed | Open | Closed | Open | Closed |
300MHz | 66MHz | 4.5x | Open | Closed | Open | Closed | Open | Closed |