SHUTTLE COMPUTER INTERNATIONAL, INC.
HOT-671
Device Type | Mainboard |
Processor | Pentium II/Celeron |
Processor Speed | 233/266/300/333MHz |
Chip Set | Intel 440EX |
Maximum Onboard Memory | 256MB (EDO & SDRAM supported) |
Audio Chip Set | OPTI |
Cache | 0/128/256/512KB (located on the CPU) |
BIOS | Award |
Dimensions | 244mm x 170mm |
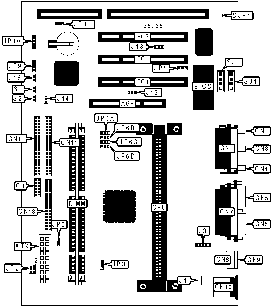
I/O Options | 32-bit PCI slots (3), floppy drive interface, game/MIDI port, IDE interfaces (2), parallel port, PS/2 mouse port, PS/2 mouse interface, serial ports (2), serial port, IR connector, USB connectors (2), ATX power connector, AGP slot, line in, line out, microphone in, audio in – CD-ROMs (2), wake on LAN connector |

CONNECTIONS | |||
Purpose | Location | Purpose | Location |
AGP slot | AGP | Floppy drive interface | CN13 |
ATX power connector | ATX | IR connector | J3 |
EISCA connector | C1 | Chassis fan power | J13 |
Game/MIDI port | CN1 | Wake on LAN connector | J14 |
Microphone in | CN2 | Reset switch | J16 |
Line in | CN3 | AGP fan power | J18 |
Line out | CN4 | CPU fan power | JP3 |
Serial port 2 | CN5 | CPU fan power | JP5 |
Serial port 1 | CN6 | Speaker | JP9 |
Parallel port | CN7 | Power LED | JP10 |
USB connector 1 | CN8 | 32-bit PCI slots | PC1 – PC3 |
USB connector 2 | CN9 | Soft off power supply | S2 |
PS/2 mouse port | CN10 | IDE interface LED | S3 |
IDE interface 2 | CN11 | Audio in – CD-ROM | SJ1 |
IDE interface 1 | CN12 | Audio in – CD-ROM | SJ2 |
USER CONFIGURABLE SETTINGS | |||
Function | Label | Position | |
» | Factory configured - do not alter | J1 | Unidentified |
Flash BIOS voltage select 12v | JP8 | Pins 1 & 2 closed | |
Flash BIOS voltage select 5v | JP8 | Pins 2 & 3 closed | |
» | CMOS memory normal operation | JP11 | Pins 1 & 2 closed |
CMOS memory clear | JP11 | Pins 2 & 3 closed | |
» | Factory configured - do not alter | SJP1 | Unidentified |
DIMM CONFIGURATION | ||
Size | Bank 0 | Bank 1 |
8MB | (1) 1M x 64 | None |
16MB | (1) 2M x 64 | None |
16MB | (1) 1M x 64 | (1) 1M x 64 |
24MB | (1) 2M x 64 | (1) 1M x 64 |
32MB | (1) 4M x 64 | None |
32MB | (1) 2M x 64 | (1) 2M x 64 |
40MB | (1) 4M x 64 | (1) 1M x 64 |
48MB | (1) 4M x 64 | (1) 2M x 64 |
64MB | (1) 8M x 64 | None |
64MB | (1) 4M x 64 | (1) 4M x 64 |
72MB | (1) 8M x 64 | (1) 1M x 64 |
80MB | (1) 8M x 64 | (1) 2M x 64 |
96MB | (1) 8M x 64 | (1) 4M x 64 |
DIMM CONFIGURATION (CON’T) | ||
Size | Bank 0 | Bank 1 |
128MB | (1) 16M x 64 | None |
128MB | (1) 8M x 64 | (1) 8M x 64 |
136MB | (1) 16M x 64 | (1) 1M x 64 |
144MB | (1) 16M x 64 | (1) 2M x 64 |
160MB | (1) 16M x 64 | (1) 4M x 64 |
192MB | (1) 16M x 64 | (1) 8M x 64 |
256MB | (1) 16M x 64 | (1) 16M x 64 |
Note: Board accepts EDO & SDRAM memory. | ||
CACHE CONFIGURATION |
Note: 256KB/512KB cache is located on the Pentium II CPU. 128KB cache is located on the Celeron 300A & 333 CPU. |
CPU SPEED SELECTION | |||||
CPU speed | Clock speed | Multiplier | JP2/pins 1 & 2 | JP2/pins 3 & 4 | JP2/pins 5 & 6 |
233MHz | 66MHz | 3.5x | Open | Open | Open |
266MHz | 66MHz | 4x | Open | Open | Open |
300MHz | 66MHz | 4.5x | Open | Open | Open |
333MHz | 66MHz | 5x | Open | Open | Open |
CPU SPEED SELECTION (CON’T) | ||||||
CPU speed | Clock speed | Multiplier | JP6A | JP6B | JP6C | JP6D |
233MHz | 66MHz | 3.5x | 2 & 3 | Open | 2 & 3 | Open |
266MHz | 66MHz | 4x | Open | 2 & 3 | 2 & 3 | 2 & 3 |
300MHz | 66MHz | 4.5x | Open | 2 & 3 | 2 & 3 | Open |
333MHz | 66MHz | 5x | Open | Open | 2 & 3 | 2 & 3 |
Note: Pins designated should be in the closed position. If BIOS detects multiplier, set all above jumpers to pins 1 & 2 closed | ||||||
KEYBOARD/MOUSE SELECTION | ||
Setting | JP1 | JP4 |
Keyboard/mouse power on enabled | Pins 2 & 3 closed | Pins 2 & 3, 5 & 6 closed |
Keyboard/mouse power on disabled | Pins 1 & 2 closed | Pins 1 & 2, 4 & 5 closed |
Mouse power on enabled | Pins 2 & 3 closed | Pins 2 & 3, 4 & 5 closed |
Keyboard power on disabled | Pins 2 & 3 closed | Pins 1 & 2, 5 & 6 closed |
Note: The location of the above jumpers is unidentified. | ||