SHUTTLE COMPUTER INTERNATIONAL, INC.
HOT-595
Device Type | Mainboard |
Processor | CX 6X86/IBM 6X86/CX 6X86L/IBM 6X86L/CX 686MX/IBM 6X86MX/ AM K5/AM K6/Pentium/Pentium MMX |
Processor Speed | 75/90/100/120/133/150/166/200/233/266MHz |
Chip Set | VIA VP3 |
Maximum Onboard Memory | 384MB (EDO & SDRAM supported) |
Cache | 512/1024KB |
BIOS | Unidentified |
Dimensions | 305mm x 210mm |
I/O Options | 32-bit PCI slots (4), floppy drive interface, green PC connector, IDE interfaces (2), parallel port, PS/2 mouse port, serial ports (2), IR connector, USB connectors (2), ATX power connector, AGP slot, wake on LAN connector |

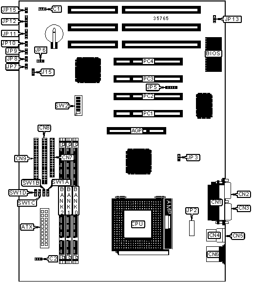
CONNECTIONS | |||
Purpose | Location | Purpose | Location |
AGP slot | AGP | IDE interface 1 | CN9 |
ATX power connector | ATX | Wake on LAN connector | J15 |
Chassis fan power | C1 | EISCA connector | JP2 |
CPU fan power | C2 | IR connector | JP5 |
Parallel port | CN1 | Soft off power supply | JP7 |
Serial port 2 | CN2 | IDE interface LED | JP8 |
Serial port 1 | CN3 | Green PC LED | JP9 |
USB connector 1 | CN4 | Green PC connector | JP10 |
USB connector 2 | CN5 | Speaker | JP11 |
PS/2 mouse port | CN6 | Power LED & keylock | JP12 |
Floppy drive interface | CN7 | Reset switch | JP15 |
IDE interface 2 | CN8 | 32-bit PCI slots | PC1 – PC4 |
USER CONFIGURABLE SETTINGS | |||
Function | Label | Position | |
CPU burst mode select interleave | JP3 | Pins 1 & 2 closed | |
CPU burst mode select linear | JP3 | Pins 2 & 3 closed | |
» | CMOS memory normal operation | JP6 | Pins 1 & 2 closed |
CMOS memory clear | JP6 | Pins 2 & 3 closed | |
Flash BIOS voltage select 12v | JP13 | Pins 2 & 3 closed | |
Flash BIOS voltage select 5v | JP13 | Pins 1 & 2 closed | |
DIMM CONFIGURATION | |||
Size | Bank 0 | Bank 1 | Bank 2 |
8MB | (1) 1M x 64 | None | None |
16MB | (1) 2M x 64 | None | None |
16MB | (1) 1M x 64 | (1) 1M x 64 | None |
24MB | (1) 2M x 64 | (1) 1M x 64 | None |
24MB | (1) 1M x 64 | (1) 1M x 64 | (1) 1M x 64 |
32MB | (1) 4M x 64 | None | None |
32MB | (1) 2M x 64 | (1) 1M x 64 | (1) 1M x 64 |
32MB | (1) 2M x 64 | (1) 2M x 64 | None |
40MB | (1) 4M x 64 | (1) 1M x 64 | None |
40MB | (1) 2M x 64 | (1) 2M x 64 | (1) 1M x 64 |
DIMM CONFIGURATION (CON’T) | |||
Size | Bank 0 | Bank 1 | Bank 2 |
48MB | (1) 4M x 64 | (1) 1M x 64 | (1) 1M x 64 |
48MB | (1) 4M x 64 | (1) 2M x 64 | None |
48MB | (1) 2M x 64 | (1) 2M x 64 | (1) 2M x 64 |
56MB | (1) 4M x 64 | (1) 2M x 64 | (1) 1M x 64 |
64MB | (1) 8M x 64 | None | None |
64MB | (1) 4M x 64 | (1) 2M x 64 | (1) 2M x 64 |
64MB | (1) 4M x 64 | (1) 4M x 64 | None |
72MB | (1) 8M x 64 | (1) 1M x 64 | None |
72MB | (1) 4M x 64 | (1) 4M x 64 | (1) 1M x 64 |
80MB | (1) 8M x 64 | (1) 1M x 64 | (1) 1M x 64 |
80MB | (1) 8M x 64 | (1) 2M x 64 | None |
80MB | (1) 4M x 64 | (1) 4M x 64 | (1) 2M x 64 |
88MB | (1) 8M x 64 | (1) 2M x 64 | (1) 1M x 64 |
96MB | (1) 8M x 64 | (1) 2M x 64 | (1) 2M x 64 |
96MB | (1) 4M x 64 | (1) 4M x 64 | (1) 4M x 64 |
104MB | (1) 8M x 64 | (1) 4M x 64 | (1) 1M x 64 |
112MB | (1) 8M x 64 | (1) 4M x 64 | (1) 2M x 64 |
128MB | (1) 16M x 64 | None | None |
128MB | (1) 8M x 64 | (1) 4M x 64 | (1) 4M x 64 |
128MB | (1) 8M x 64 | (1) 8M x 64 | None |
136MB | (1) 16M x 64 | (1) 1M x 64 | None |
144MB | (1) 16M x 64 | (1) 1M x 64 | (1) 1M x 64 |
144MB | (1) 16M x 64 | (1) 2M x 64 | None |
152MB | (1) 16M x 64 | (1) 2M x 64 | (1) 1M x 64 |
160MB | (1) 16M x 64 | (1) 2M x 64 | (1) 2M x 64 |
160MB | (1) 16M x 64 | (1) 4M x 64 | None |
176MB | (1) 16M x 64 | (1) 4M x 64 | (1) 2M x 64 |
192MB | (1) 16M x 64 | (1) 4M x 64 | (1) 4M x 64 |
192MB | (1) 16M x 64 | (1) 8M x 64 | None |
192MB | (1) 8M x 64 | (1) 8M x 64 | (1) 8M x 64 |
200MB | (1) 16M x 64 | (1) 8M x 64 | (1) 1M x 64 |
208MB | (1) 16M x 64 | (1) 8M x 64 | (1) 2M x 64 |
224MB | (1) 16M x 64 | (1) 8M x 64 | (1) 4M x 64 |
256MB | (1) 16M x 64 | (1) 8M x 64 | (1) 8M x 64 |
384MB | (1) 16M x 64 | (1) 16M x 64 | (1) 16M x 64 |
Note: Board accepts EDO & SDRAM memory. | |||
CACHE CONFIGURATION |
Note: The location of the cache is unidentified. |
CPU SPEED SELECTION (CX 6X86) | ||||||||
CPU speed | Clock speed | Multiplier | SW2/1 | SW2/2 | SW2/3 | SW2/4 | SW2/5 | SW2/6 |
120MHz | 50MHz | 2x | On | On | On | On | Off | Off |
150MHz | 60MHz | 2x | On | Off | Off | On | Off | Off |
166MHz | 66MHz | 2x | Off | Off | Off | On | Off | Off |
CPU SPEED SELECTION (IBM 6X86) | ||||||||
CPU speed | Clock speed | Multiplier | SW2/1 | SW2/2 | SW2/3 | SW2/4 | SW2/5 | SW2/6 |
120MHz | 50MHz | 2x | On | On | On | On | Off | Off |
150MHz | 60MHz | 2x | On | Off | Off | On | Off | Off |
166MHz | 66MHz | 2x | Off | Off | Off | On | Off | Off |
CPU SPEED SELECTION (CX 6X86L) | ||||||||
CPU speed | Clock speed | Multiplier | SW2/1 | SW2/2 | SW2/3 | SW2/4 | SW2/5 | SW2/6 |
150MHz | 60MHz | 2x | On | Off | Off | On | Off | Off |
166MHz | 66MHz | 2x | Off | Off | Off | On | Off | Off |
CPU SPEED SELECTION (IBM 6X86L) | ||||||||
CPU speed | Clock speed | Multiplier | SW2/1 | SW2/2 | SW2/3 | SW2/4 | SW2/5 | SW2/6 |
150MHz | 60MHz | 2x | On | Off | Off | On | Off | Off |
166MHz | 66MHz | 2x | Off | Off | Off | On | Off | Off |
CPU SPEED SELECTION (CX 6X86MX) | ||||||||
CPU speed | Clock speed | Multiplier | SW2/1 | SW2/2 | SW2/3 | SW2/4 | SW2/5 | SW2/6 |
166MHz | 60MHz | 2.5x | On | Off | Off | On | On | Off |
200MHz | 66MHz | 2.5x | Off | Off | Off | On | On | Off |
233MHz | 66MHz | 3x | Off | Off | Off | Off | On | Off |
266MHz | 66MHz | 3.5x | Off | Off | Off | Off | Off | Off |
CPU SPEED SELECTION (IBM 6X86MX) | ||||||||
CPU speed | Clock speed | Multiplier | SW2/1 | SW2/2 | SW2/3 | SW2/4 | SW2/5 | SW2/6 |
166MHz | 60MHz | 2.5x | On | Off | Off | On | On | Off |
200MHz | 66MHz | 2.5x | Off | Off | Off | On | On | Off |
233MHz | 66MHz | 3x | Off | Off | Off | Off | On | Off |
266MHz | 66MHz | 3.5x | Off | Off | Off | Off | Off | Off |
CPU SPEED SELECTION (IDT C6) | ||||||||
CPU speed | Clock speed | Multiplier | SW2/1 | SW2/2 | SW2/3 | SW2/4 | SW2/5 | SW2/6 |
150MHz | 60MHz | 2.5x | On | Off | Off | On | On | Off |
180MHz | 60MHz | 3x | On | Off | Off | Off | On | Off |
200MHz | 66MHz | 3x | Off | Off | Off | Off | On | Off |
CPU SPEED SELECTION (AM K5) | ||||||||
CPU speed | Clock speed | Multiplier | SW2/1 | SW2/2 | SW2/3 | SW2/4 | SW2/5 | SW2/6 |
75MHz | 50MHz | 1.5x | On | On | On | Off | Off | Off |
90MHz | 60MHz | 1.5x | On | Off | Off | Off | Off | Off |
100MHz | 66MHz | 1.5x | Off | Off | Off | Off | Off | Off |
120MHz | 60MHz | 1.5x | On | Off | Off | Off | Off | Off |
133MHz | 66MHz | 1.5x | Off | Off | Off | Off | Off | Off |
166MHz | 66MHz | 1.75x | Off | Off | Off | On | On | Off |
CPU SPEED SELECTION (AM K6) | ||||||||
CPU speed | Clock speed | Multiplier | SW2/1 | SW2/2 | SW2/3 | SW2/4 | SW2/5 | SW2/6 |
166MHz | 66MHz | 2.5x | Off | Off | Off | On | On | Off |
200MHz | 66MHz | 3x | Off | Off | Off | Off | On | Off |
233MHz | 66MHz | 3.5x | Off | Off | Off | Off | Off | Off |
266MHz | 66MHz | 4x | Off | Off | Off | On | Off | On |
CPU SPEED SELECTION (INTEL) | ||||||||
CPU speed | Clock speed | Multiplier | SW2/1 | SW2/2 | SW2/3 | SW2/4 | SW2/5 | SW2/6 |
75MHz | 50MHz | 1.5x | On | On | On | Off | Off | Off |
90MHz | 60MHz | 1.5x | On | Off | Off | Off | Off | Off |
100MHz | 66MHz | 1.5x | Off | Off | Off | Off | Off | Off |
120MHz | 60MHz | 2x | On | Off | Off | On | Off | Off |
133MHz | 66MHz | 2x | Off | Off | Off | On | Off | Off |
150MHz | 60MHz | 2.5x | On | Off | Off | On | On | Off |
166MHz | 66MHz | 2.5x | Off | Off | Off | On | On | Off |
200MHz | 66MHz | 3x | Off | Off | Off | Off | On | Off |
CPU SPEED SELECTION (INTEL MMX) | ||||||||
CPU speed | Clock speed | Multiplier | SW2/1 | SW2/2 | SW2/3 | SW2/4 | SW2/5 | SW2/6 |
166MHz | 66MHz | 2.5x | Off | Off | Off | On | On | Off |
200MHz | 66MHz | 3x | Off | Off | Off | Off | On | Off |
233MHz | 66MHz | 3.5x | Off | Off | Off | Off | Off | Off |
CPU VOLTAGE SELECTION | ||||
Voltage | SW1A | SW1B | SW1C | SW1D |
Auto | Pins 2 & 3 closed | Pins 2 & 3 closed | Pins 2 & 3 closed | Pins 2 & 3 closed |
2.0v | Open | Open | Open | Open |
2.1v | Pins 1 & 2 closed | Open | Open | Open |
2.2v | Open | Pins 1 & 2 closed | Open | Open |
2.3v | Pins 1 & 2 closed | Pins 1 & 2 closed | Open | Open |
2.4v | Open | Open | Pins 1 & 2 closed | Open |
2.5v | Pins 1 & 2 closed | Open | Pins 1 & 2 closed | Open |
2.6v | Open | Pins 1 & 2 closed | Pins 1 & 2 closed | Open |
2.7v | Pins 1 & 2 closed | Pins 1 & 2 closed | Pins 1 & 2 closed | Open |
2.8v | Open | Open | Open | Pins 1 & 2 closed |
2.9v | Pins 1 & 2 closed | Open | Open | Pins 1 & 2 closed |
3.0v | Open | Pins 1 & 2 closed | Open | Pins 1 & 2 closed |
3.1v | Pins 1 & 2 closed | Pins 1 & 2 closed | Open | Pins 1 & 2 closed |
3.2v | Open | Open | Pins 1 & 2 closed | Pins 1 & 2 closed |
3.3v | Pins 1 & 2 closed | Open | Pins 1 & 2 closed | Pins 1 & 2 closed |
3.4v | Open | Pins 1 & 2 closed | Pins 1 & 2 closed | Pins 1 & 2 closed |
3.52v | Pins 1 & 2 closed | Pins 1 & 2 closed | Pins 1 & 2 closed | Pins 1 & 2 closed |