MNC INTERNATIONAL INC.
MNC 1152 COMPLETE 386SX/486SLC
Processor | 80386SX/CX486SLC |
Processor Speed | 4/8/16/20/25/33/40/50MHz |
Chip Set | VLSI |
Max. Onboard DRAM | 16MB |
Cache | None |
BIOS | Quadtel |
Dimensions | 330mm x 106.7mm |
I/O Options | Floppy drive interface, IDE interface, parallel port, serial port (2), VGA port |
NPU Options | 80387SX/CX83S87 |

CONNECTIONS | |||
Purpose | Location | Purpose | Location |
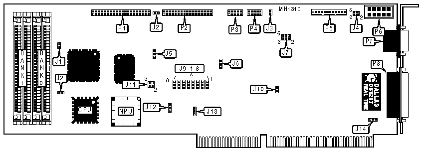
IDE interface LED | J2 | Serial port (COM1) | P4 |
Turbo LED | J3 | Keyboard/reset switch/keylock/speaker/turbo switch | P5 |
IDE interface | P1 | LCD screen | P6 |
Floppy drive interface | P2 | VGA port | P7 |
Serial port (COM2) | P3 | Parallel port | P8 |
USER CONFIGURABLE SETTINGS | |||
Function | Jumper | Position | |
| » | IDE interface enabled | J5 | pins 2 & 3 closed |
IDE interface disabled | J5 | pins 1 & 2 closed | |
| » | Paralell port select send data | J6 | pins 2 & 3 closed |
Paralell port select receive data | J6 | pins 1 & 2 closed | |
| » | Pipeline mode enabled | J8 | closed |
Pipeline mode disabled | J8 | open | |
| » | Factory configured - do not alter (functions controled by BIOS) | J9 | N/A |
| » | Monitor type select color | J10 | closed |
Monitor type select monochrome | J10 | open | |
Watchdog Timer mode select enabled | J12 | pins 1 & 2 closed | |
Watchdog Timer mode select disabled | J12 | pins 2 & 3 closed | |
Watchdog Timer interval select 150ms | J13 | pins 2 & 3 closed | |
Watchdog Timer interval select 600ms | J13 | open | |
Watchdog Timer interval select 1.2 second | J13 | pins 1 & 2 closed | |
| » | On board VGA interface enabled | J14 | pins 1 & 2 closed |
On board VGA interface disabled | J14 | pins 2 & 3 closed | |
CPU SPEED CONFIGURATION | |
Speed | J1 |
4MHz | pins 1 & 2 and 3 & 4 and 5 & 6 closed |
8MHz | pins 1 & 2 and 3 & 4 closed |
16MHz | pins 1 & 2 and 5 & 6 closed |
20MHz | pins 1 & 2 closed |
25MHz | pins 3 & 4 and 5 & 6 closed |
33MHz | pins 3 & 4 closed |
40MHz | pins 5 & 6 closed |
50MHz | open |
DRAM CONFIGURATION | ||
Size | Bank 0 | Bank 1 |
1MB | (4) 256K x 9 | NONE |
2MB | (4) 256K x 9 | (4) 256K x 9 |
4MB | (4) 1M x 9 | NONE |
5MB | (4) 256K x 9 | (4) 1M x 9 |
8MB | (4) 1M x 9 | (4) 1M x 9 |
16MB | (4) 4M x 9 | NONE |
VGA MEMORY CLOCK CONFIGURATION | |
Speed | J4 |
32.9MHz | pins 1 & 3 and 2 & 4 closed |
35.6MHz | pins 1 & 3 and 4 & 6 closed |
43.9MHz | pins 2 & 4 and 3 & 5 closed |
49.1MHz | pins 3 & 5 and 4 & 6 closed |
LCD DISPLAY TYPE CONFIGURATION | |
Type | J7 |
0 | open |
1 | pins 1 & 2 closed |
2 | pins 3 & 4 closed |
3 | pins 1 & 2 and 3 & 4 closed |
Plasma | pins 1 & 2 and 3 & 4 and 5 & 6 closed |
FLASH MEMORY REGION CONFIGURATION | |
Region | J11 |
D8000 - DFFFF | open |
C8000 - CFFFF | pins 3 & 4 closed |
D0000 - D7FFF | pins 1 & 2 closed |
D0000 - D7FFF | pins 1 & 2 and 3 & 4 closed |