CHAINTECH COMPUTER COMPANY, LTD.
CT-6BTS
Device Type | Mainboard |
Processor | Pentium II |
Processor Speed | 233/266/300/333/350/366/400/450MHz |
Chip Set | Intel 440BX |
Video Chip Set | None |
Maximum Onboard Memory | 512MB (SDRAM supported) |
Maximum Video Memory | None |
Cache | 256/512KB (located on Pentium II CPU) |
BIOS | Award |
Dimensions | 305mm x 230mm |
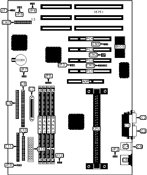
I/O Options | 32-bit PCI slots (4), floppy drive interface, green PC connector, IDE interfaces (2), SCSI interface, Wide Ultra SCSI interface, parallel port, PS/2 mouse port, serial ports (2), IR connector, USB connectors (2), ATX power connector, AGP slot, SB-link connector, wake on LAN connector |

CONNECTIONS | |||
Purpose | Location | Purpose | Location |
AGP slot | AGP | SB-link connector | CN2 |
ATX power connector | ATX | IR connector | CN3 |
Parallel port | C1 | Power LED & keylock | CN7/pins 1 - 5 |
Serial port 2 | C2 | Speaker | CN7/pins 7 - 10 |
Serial port 1 | C3 | Soft off power supply | CN7/pins 11 & 12 |
USB connector 1 | C4 | Turbo LED | CN7/pins 13 & 14 |
USB connector 2 | C5 | Green PC connector | CN7/pins 16 & 17 |
PS/2 mouse port | C6 | Green PC LED | CN7/pins 18 & 19 |
Ultra Wide SCSI interface | C7 | Reset switch | CN7/pins 21 & 22 |
SCSI interface | C8 | IDE interface LED | CN7/pins 23 & 24 |
IDE interface 1 | C9 | Chassis fan power | J7 |
Floppy drive interface | C10 | CPU fan power | J12 |
IDE interface 2 | C11 | Chassis intrusion connector | JP8 |
Wake on LAN connector | CN1 | 32-bit PCI slots | PC1 - PC4 |
USER CONFIGURABLE SETTINGS | |||
Function | Label | Position | |
» | Keyboard power on disabled | JP2 | Pins 1 & 2 closed |
| Keyboard power on enabled | JP2 | Pins 2 & 3 closed |
» | On board SCSI enabled | JP3 | Pins 1 & 2 closed |
| On board SCSI disabled | JP3 | Pins 2 & 3 closed |
» | Power failure recovery disabled | JP4 | Pins 1 & 2 closed |
| Power failure recovery enabled | JP4 | Pins 2 & 3 closed |
» | CMOS memory normal operation | JP5 | Pins 1 & 2 closed |
| CMOS memory clear | JP5 | Pins 2 & 3 closed |
» | Internal/external SCSI select normal | JP7 | Pins 1 & 2 closed |
| Internal/external SCSI select install internal/external at same time | JP7 | Pins 2 & 3 closed |
SIMM CONFIGURATION | ||||
Size | Bank 0 | Bank 1 | Bank 2 | Bank 3 |
8MB | (2) 1M x 36 | None | None | None |
16MB | (2) 2M x 36 | None | None | None |
16MB | (2) 1M x 36 | (2) 1M x 36 | None | None |
24MB | (2) 2M x 36 | (2) 1M x 36 | None | None |
24MB | (2) 1M x 36 | (2) 1M x 36 | (2) 1M x 36 | None |
DIMM CONFIGURATION (CON'T) | ||||
Size | Bank 0 | Bank 1 | Bank 2 | Bank 3 |
32MB | (2) 4M x 36 | None | None | None |
32MB | (2) 2M x 36 | (2) 2M x 36 | None | None |
32MB | (2) 1M x 36 | (2) 1M x 36 | (2) 1M x 36 | (2) 1M x 36 |
40MB | (2) 4M x 36 | (2) 1M x 36 | None | None |
48MB | (2) 4M x 36 | (2) 2M x 36 | None | None |
48MB | (2) 2M x 36 | (2) 2M x 36 | (2) 2M x 36 | None |
64MB | (2) 2M x 36 | (2) 2M x 36 | (2) 2M x 36 | (2) 2M x 36 |
64MB | (2) 8M x 36 | None | None | None |
64MB | (2) 4M x 36 | (2) 4M x 36 | None | None |
72MB | (2) 8M x 36 | (2) 1M x 36 | None | None |
80MB | (2) 8M x 36 | (2) 2M x 36 | None | None |
96MB | (2) 8M x 36 | (2) 4M x 36 | None | None |
96MB | (2) 4M x 36 | (2) 4M x 36 | (2) 4M x 36 | None |
128MB | (2) 16M x 36 | None | None | None |
128MB | (2) 8M x 36 | (2) 8M x 36 | None | None |
128MB | (2) 4M x 36 | (2) 4M x 36 | (2) 4M x 36 | (2) 4M x 36 |
136MB | (2) 16M x 36 | (2) 1M x 36 | None | None |
144MB | (2) 16M x 36 | (2) 2M x 36 | None | None |
152MB | (2) 16M x 36 | (2) 1M x 36 | (2) 1M x 36 | (2) 1M x 36 |
160MB | (2) 16M x 36 | (2) 4M x 36 | None | None |
176MB | (2) 16M x 36 | (2) 2M x 36 | (2) 2M x 36 | (2) 2M x 36 |
192MB | (2) 16M x 36 | (2) 8M x 36 | None | None |
192MB | (2) 8M x 36 | (2) 8M x 36 | (2) 8M x 36 | None |
224MB | (2) 16M x 36 | (2) 4M x 36 | (2) 4M x 36 | (2) 4M x 36 |
256MB | (2) 16M x 36 | (2) 16M x 36 | None | None |
256MB | (2) 8M x 36 | (2) 8M x 36 | (2) 8M x 36 | (2) 8M x 36 |
272MB | (2) 16M x 36 | (2) 16M x 36 | (2) 1M x 36 | (2) 1M x 36 |
288MB | (2) 16M x 36 | (2) 16M x 36 | (2) 2M x 36 | (2) 2M x 36 |
320MB | (2) 16M x 36 | (2) 16M x 36 | (2) 4M x 36 | (2) 4M x 36 |
320MB | (2) 16M x 36 | (2) 8M x 36 | (2) 8M x 36 | (2) 8M x 36 |
384MB | (2) 16M x 36 | (2) 16M x 36 | (2) 16M x 36 | None |
512MB | (2) 16M x 36 | (2) 16M x 36 | (2) 16M x 36 | (2) 16M x 36 |
Note: Board accepts SDRAM memory. | ||||
CACHE CONFIGURATION |
Note: 256KB/512KB cache is located on the Pentium II CPU. |
CPU SPEED SELECTION | ||
CPU speed | JP6 | |
» | Determined by CPU | Pins 1 & 2 closed |
| 66MHz | Pins 2 & 3 closed |
| 100MHz | Pins 3 & 4 closed |