CAF TECHNOLOGY, INC.
N342 (Ver. 1.0)
Processor | 80368SX |
Processor Speed | 25/33MHz |
Chip Set | VLSI SCAMP |
Max. Onboard DRAM | 16MB |
SRAM Cache | None |
BIOS | AMI |
Dimensions | 240mm x 220mm |
I/O Options | Floppy drive interface, game port, IDE interface, parallel port, serial port (2) |
NPU Options | 80387SX |

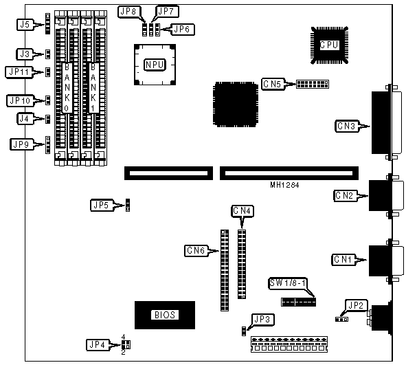
CONNECTIONS | |||
Purpose | Location | Purpose | Location |
IDE interface LED | J3 | Serial port 1 | CN1 |
Reset switch | J4 | Serial port 2 | CN2 |
Power LED & keylock | J5 | Parallel port | CN3 |
Speaker | JP9 pins 3 & 4 | Floppy drive interface | CN4 |
Turbo switch | JP10 | Game port | CN5 |
Turbo LED | JP11 | IDE interface | CN6 |
USER CONFIGURABLE SETTINGS | |||
Function | Jumper/Switch | Position | |
| » | Battery select internal (3.6VDC) | JP2 | pins 1 & 2 closed |
Battery select external (6.0VDC) | JP2 | pins 2 & 3 closed | |
| » | SYSCLK normal operation | JP3 | open |
SYSCLK select 12MHz | JP3 | closed | |
| » | CMOS memory normal operation | JP4 | pins 1 & 2 closed |
CMOS memory clear | JP4 | pins 3 & 4 closed | |
| » | Turbo mode controlled by JP10 | JP5 | pins 2 & 3 closed |
Turbo mode selectable at keyboard | JP5 | pins 1 & 2 closed | |
| » | Speaker select internal | JP9 | pins 1 & 2 closed |
Speaker select external | JP9 | connected | |
| » | Monitor type select monochrone | SW1/Switch 8 | open |
Monitor type select color | SW1/Switch 8 | closed | |
| » | Factory configured - do not alter | SW1/Switch 3 | unknown |
CPU CONFIGURATION | ||||
CPU | Clock Speed | JP6 | JP7 | JP8 |
80386SX/33 | 66MHz | pins 1 & 2 closed | pins 2 & 3 closed | pins 1 & 2 closed |
80386SX/25 | 50MHz | pins 2 & 3 closed | pins 2 & 3 closed | pins 1 & 2 closed |
80386SX/20 | 40MHz | pins 1 & 2 closed | pins 1 & 2 closed | pins 2 & 3 closed |
DRAM CONFIGURATION | ||
Size | Bank 0 | Bank 1 |
512KB | (2) 256K x 9 | NONE |
1MB | (2) 256K x 9 | (2) 256K x 9 |
2MB | (2) 1M x 9 | NONE |
4MB | (2) 1M x 9 | (2) 1M x 9 |
8MB | (2) 4M x 9 | NONE |
16MB | (2) 4M x 9 | (2) 4M x 9 |
I/O CONTROLLER CONFIGURATION | |||
Device | SW1 | Enabled | Disabled |
COM1 (CN1) | switch 1 | open | closed |
COM2 (CN2) | switch 2 | open | closed |
Floppy drive interface (CN4) | switch 4 | open | closed |
Parallel port (CN3) | switch 5 | open | closed |
IDE interface (CN6) | switch 6 | open | closed |
Game port (CN5) | switch 7 | open | closed |