BIOSTAR MICROTECH INTERNATIONAL CORPORATION
M6TLA (VER. 1.1)
Device Type | Mainboard |
Processor | Pentium II |
Processor Speed | 200/233/266/300/MHz |
Chip Set | Intel |
Video Chip Set | None |
Maximum Onboard Memory | 1GB (EDO & SDRAM supported) |
Maximum Video Memory | None |
Cache | 256/512KB (located on Pentium II CPU) |
BIOS | Award |
Dimensions | 305mm x 220mm |
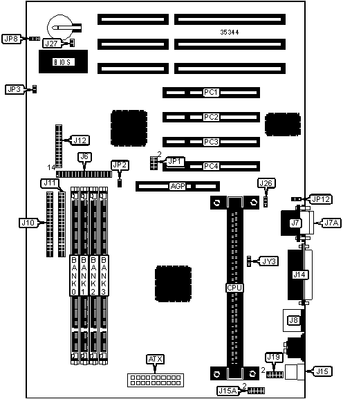
I/O Options | 32-bit PCI slots (4), floppy drive interface, green PC connector, IDE interfaces (2), parallel port, PS/2 mouse port, serial ports (2), IR connector, USB connectors (2), ATX power connector, AGP slot |
NPU Options | None |

CONNECTIONS | |||
Purpose | Location | Purpose | Location |
AGP slot | AGP | VCC ground | J12/pins 14 & 15 |
ATX power connector | ATX | Green PC connector | J12/pins 16 & 17 |
Floppy drive interface | J6 | IDE interface LED | J12/pins 18 - 21 |
Serial port 2 | J7 | IR connector | J12/pins 22 - 26 |
Serial port 1 | J7A | Parallel port | J14 |
PS/2 mouse port | J8 | USB connector | J15 |
IDE interface 1 | J10 | USB connector | J15A |
IDE interface 2 | J11 | Wake on LAN connector | J26 |
Speaker | J12/pins 1 - 4 | Wake on modem connector | J27 |
Power LED & keylock | J12/pins 5 - 9 | ATX power on switch | JP3 |
Soft off power supply | J12/pins 10 & 11 | CPU fan power | JY3 |
Reset switch | J12/pins 12 & 13 | 32-bit PCI slots | PC1 – PC4 |
USER CONFIGURABLE SETTINGS | |||
Function | Label | Position | |
In order queue depth enabled | JP2 | Open | |
In order queue depth disabled | JP2 | Closed | |
» | CMOS memory normal operation | JP8 | Pins 1 & 2 closed |
CMOS memory clear | JP8 | Pins 2 & 3 closed | |
On board battery disabled | JP8 | Open | |
External modem COM select COM1 | JP12 | Pins 1 & 2 closed | |
External modem COM select COM2 | JP12 | Pins 2 & 3 closed | |
DIMM CONFIGURATION | ||||
Size | Bank 0 | Bank 1 | Bank 2 | Bank 3 |
8MB | (1) 1M x 64 | None | None | None |
16MB | (1) 2M x 64 | None | None | None |
16MB | (1) 1M x 64 | (1) 1M x 64 | None | None |
24MB | (1) 2M x 64 | (1) 1M x 64 | None | None |
24MB | (1) 1M x 64 | (1) 1M x 64 | (1) 1M x 64 | None |
32MB | (1) 4M x 64 | None | None | None |
32MB | (1) 2M x 64 | (1) 2M x 64 | None | None |
32MB | (1) 1M x 64 | (1) 1M x 64 | (1) 1M x 64 | (1) 1M x 64 |
40MB | (1) 4M x 64 | (1) 1M x 64 | None | None |
48MB | (1) 4M x 64 | (1) 2M x 64 | None | None |
48MB | (1) 2M x 64 | (1) 2M x 64 | (1) 2M x 64 | None |
64MB | (1) 2M x 64 | (1) 2M x 64 | (1) 2M x 64 | (1) 2M x 64 |
DIMM CONFIGURATION (CON’T) | ||||
Size | Bank 0 | Bank 1 | Bank 2 | Bank 3 |
64MB | (1) 8M x 64 | None | None | None |
64MB | (1) 4M x 64 | (1) 4M x 64 | None | None |
72MB | (1) 8M x 64 | (1) 1M x 64 | None | None |
80MB | (1) 8M x 64 | (1) 2M x 64 | None | None |
96MB | (1) 8M x 64 | (1) 4M x 64 | None | None |
96MB | (1) 4M x 64 | (1) 4M x 64 | (1) 4M x 64 | None |
128MB | (1) 16M x 64 | None | None | None |
128MB | (1) 8M x 64 | (1) 8M x 64 | None | None |
128MB | (1) 4M x 64 | (1) 4M x 64 | (1) 4M x 64 | (1) 4M x 64 |
136MB | (1) 16M x 64 | (1) 1M x 64 | None | None |
144MB | (1) 16M x 64 | (1) 2M x 64 | None | None |
152MB | (1) 16M x 64 | (1) 1M x 64 | (1) 1M x 64 | (1) 1M x 64 |
160MB | (1) 16M x 64 | (1) 4M x 64 | None | None |
176MB | (1) 16M x 64 | (1) 2M x 64 | (1) 2M x 64 | (1) 2M x 64 |
192MB | (1) 16M x 64 | (1) 8M x 64 | None | None |
192MB | (1) 8M x 64 | (1) 8M x 64 | (1) 8M x 64 | None |
224MB | (1) 16M x 64 | (1) 4M x 64 | (1) 4M x 64 | (1) 4M x 64 |
256MB | (1) 32M x 64 | None | None | None |
256MB | (1) 16M x 64 | (1) 16M x 64 | None | None |
256MB | (1) 8M x 64 | (1) 8M x 64 | (1) 8M x 64 | (1) 8M x 64 |
272MB | (1) 16M x 64 | (1) 16M x 64 | (1) 1M x 64 | (1) 1M x 64 |
280MB | (1) 32M x 64 | (1) 1M x 64 | (1) 1M x 64 | (1) 1M x 64 |
288MB | (1) 16M x 64 | (1) 16M x 64 | (1) 2M x 64 | (1) 2M x 64 |
304MB | (1) 32M x 64 | (1) 2M x 64 | (1) 2M x 64 | (1) 2M x 64 |
320MB | (1) 16M x 64 | (1) 16M x 64 | (1) 4M x 64 | (1) 4M x 64 |
320MB | (1) 16M x 64 | (1) 8M x 64 | (1) 8M x 64 | (1) 8M x 64 |
352MB | (1) 32M x 64 | (1) 4M x 64 | (1) 4M x 64 | (1) 4M x 64 |
384MB | (1) 16M x 64 | (1) 16M x 64 | (1) 16M x 64 | None |
448MB | (1) 32M x 64 | (1) 8M x 64 | (1) 8M x 64 | (1) 8M x 64 |
512MB | (1) 32M x 64 | (1) 32M x 64 | None | None |
512MB | (1) 16M x 64 | (1) 16M x 64 | (1) 16M x 64 | (1) 16M x 64 |
640MB | (1) 32M x 64 | (1) 16M x 64 | (1) 16M x 64 | (1) 16M x 64 |
768MB | (1) 32M x 64 | (1) 32M x 64 | (1) 32M x 64 | None |
1024MB | (1) 32M x 64 | (1) 32M x 64 | (1) 32M x 64 | (1) 32M x 64 |
Note: Board accepts EDO & SDRAM memory. Maximum SDRAM is 512MB. Maximum EDO is 1GB. | ||||
CACHE CONFIGURATION |
Note: 256KB/512KB cache is located on the Pentium II CPU. |
CPU SPEED SELECTION | ||||||
CPU speed | Clock speed | Multiplier | JP1/ pins 1 & 2 | JP1/ pins 3 & 4 | JP1/ pins 5 & 6 | JP1/ pins 7 & 8 |
200MHz | 66MHz | 3x | Open | Closed | Open | Closed |
233MHz | 66MHz | 3.5x | Open | Open | Open | Closed |
266MHz | 66MHz | 4x | Open | Closed | Closed | Open |
300MHz | 66MHz | 4.5x | Open | Open | Closed | Open |
CPU VOLTAGE SELECTION | |||||
Voltage | J19/pins 1 & 2 | J19/pins 3 & 4 | J19/pins 5 & 6 | J19/pins 7 & 8 | J19/pins 9 & 10 |
Auto detect | Open | Open | Open | Open | Open |
2.1 | Closed | Open | Open | Open | Open |
2.2 | Open | Closed | Open | Open | Open |
2.3 | Closed | Closed | Open | Open | Open |
2.4 | Open | Open | Closed | Open | Open |
2.5 | Closed | Open | Closed | Open | Open |
2.6 | Open | Closed | Closed | Open | Open |
2.7 | Closed | Closed | Closed | Open | Open |
2.8 | Open | Open | Open | Closed | Open |
2.9 | Closed | Open | Open | Closed | Open |
3.0 | Open | Closed | Open | Closed | Open |
3.1 | Closed | Closed | Open | Closed | Open |
3.2 | Open | Open | Closed | Closed | Open |
3.3 | Closed | Open | Closed | Closed | Open |
3.4 | Open | Closed | Closed | Closed | Open |
3.5 | Closed | Closed | Closed | Closed | Open |