UNIDENTIFIED
B231 286 I/O
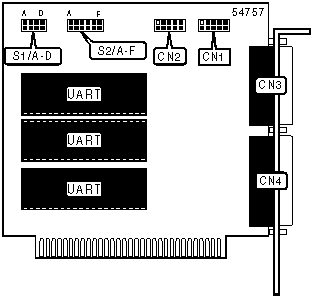
Card Type | Multi-I/O card |
Chip Set | Unidentified |
I/O Options | Game port, Parallel port, Serial ports (2) |
Hard Drives supported | None |
Floppy drives supported | None |
Data Bus | 8-bit ISA |
Card Size | Half-length |

CONNECTIONS | |||
Function | Label | Function | Label |
Serial Port 1 | CN1 | Game Port | CN3 |
Serial Port 2 | CN2 | Parallel Port | CN4 |
USER CONFIGURABLE SETTINGS | |||
Function | Label | Position | |
| » | Factory configured-do not alter | S1/D | Unidentified |
PARALLEL PORT ADDRESS SELECTION | |
Setting | S1/C |
LPT1 (378-37A) | OFF |
LPT2 (278-27A) | ON |
SERIAL PORT ADDRESS SELECTION | |||
Serial Port 1 | Serial Port 2 | S1/A | S1/B |
COM1 | COM2 | OFF | OFF |
COM2 | COM3 | ON | OFF |
COM3 | COM4 | ON | ON |
COM3 | Disable | OFF | ON |
SERIAL PORT 1 INTERRUPT SELECTION | |||
IRQ | S2/C | S2/D | |
| » | IRQ4 | On | Off |
IRQ3 | Off | On | |
SERIAL PORT 2 INTERRUPT SELECTION | |||
IRQ | S2/E | S2/F | |
| » | IRQ4 | Off | On |
IRQ3 | On | Off | |
PARALLEL PORT INTERRUPT SELECTION | |||
IRQ | S2/A | S2/B | |
| » | IRQ7 | On | Off |
IRQ5 | Off | On | |