UNIDENTIFIED
ATIO-V8
Card Type | Multi I/O card |
Chipset Controller | N/A |
I/O Options | Game/MIDI port, parallel port, serial port (2) |
Maximum DRAM | N/A |

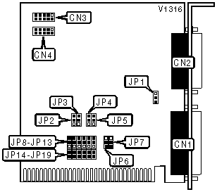
CONNECTIONS | |||
Purpose | Location | Purpose | Location |
25-pin parallel port | CN1 | 10-pin serial port 1 | CN3 |
15-pin game/MIDI port | CN2 | 10-pin serial port 2 | CN4 |
GAME PORT CONFIGURATION | |
Setting | JP1 |
Disabled | Pins 1 & 2 closed |
Enabled | Pins 2 & 3 closed |
SERIAL PORT 1 COM SELECTION | |
COM | JP4 |
COM1 | Pins 2 & 3 closed |
COM3 | Pins 1 & 2 closed |
SERIAL PORT 1 CONFIGURATION | |
Setting | JP5 |
Disabled | Pins 1 & 2 closed |
Enabled | Pins 2 & 3 closed |
SERIAL PORT 2 COM SELECTION | |
COM | JP2 |
COM2 | Pins 2 & 3 closed |
COM4 | Pins 1 & 2 closed |
SERIAL PORT 2 CONFIGURATION | |
Setting | JP3 |
Disabled | Pins 1 & 2 closed |
Enabled | Pins 2 & 3 closed |
PARALLEL PORT LPT SELECTION | |
LPT | JP6 |
LPT1 | Pins 2 & 3 closed |
LPT2 | Pins 1 & 2 closed |
PARALLEL PORT CONFIGURATION | |
Setting | JP7 |
Disabled | Pins 2 & 3 closed |
Enabled | Pins 1 & 2 closed |
SERIAL PORT 1 INTERRUPT SELECTION (PINS 1 & 2) | ||||||
IRQ | JP8 | JP9 | JP10 | JP11 | JP12 | JP13 |
3 | Closed | Open | Open | Open | Open | Open |
4 | Open | Closed | Open | Open | Open | Open |
5 | Open | Open | Closed | Open | Open | Open |
6 | Open | Open | Open | Closed | Open | Open |
7 | Open | Open | Open | Open | Closed | Open |
9 | Open | Open | Open | Open | Open | Closed |
SERIAL PORT 2 INTERRUPT SELECTION (PINS 2 & 3) | ||||||
IRQ | JP8 | JP9 | JP10 | JP11 | JP12 | JP13 |
3 | Closed | Open | Open | Open | Open | Open |
4 | Open | Closed | Open | Open | Open | Open |
5 | Open | Open | Closed | Open | Open | Open |
6 | Open | Open | Open | Closed | Open | Open |
7 | Open | Open | Open | Open | Closed | Open |
9 | Open | Open | Open | Open | Open | Closed |
PARALLEL PORT INTERRUPT SELECTION | ||||||
IRQ | JP14 | JP15 | JP16 | JP17 | JP18 | JP19 |
3 | Closed | Open | Open | Open | Open | Open |
4 | Open | Closed | Open | Open | Open | Open |
5 | Open | Open | Closed | Open | Open | Open |
6 | Open | Open | Open | Closed | Open | Open |
7 | Open | Open | Open | Open | Closed | Open |
9 | Open | Open | Open | Open | Open | Closed |