UNIDENTIFIED
AT MULTI I/O AI-3
Card Type | Multi I/O card |
Chipset/Controller | N/A |
I/O Options | Game port, parallel port, serial ports (2) |
Maximum DRAM | N/A |

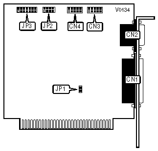
CONNECTIONS | |||
Purpose | Location | Purpose | Location |
Parallel port | CN1 | Serial port 1 | CN3 |
Serial port 2 | CN2 | Game port | CN4 |
SERIAL PORT CONFIGURATION | ||
Port 1 (CN3) | JP3 | |
| » | COM1 | Pins 1 & 2, 13 & 14 |
COM3 | Pins 3 & 4, 13 & 14 | |
Disabled | Open | |
SERIAL PORT CONFIGURATION | ||
Port 2 (CN2) | JP3 | |
| » | COM2 | Pins 5 & 6, 11 & 12 |
COM4 | Pins 7 & 8, 11 & 12 | |
Disabled | Open | |
PARALLEL PORT CONFIGURATION | ||
LPT | JP2 | |
| » | 1 | Pins 1 & 2, 5 & 6 closed |
2 | Pins 3 & 4, 7 & 8 closed | |
GAME PORT CONFIGURATION | ||
Setting | JP1 | |
| » | Enabled | Closed |
Disabled | Open | |
FACTORY CONFIGURED - DO NOT ALTER | |
Jumper | Position |
JP3 | Pins 9 & 10 closed |