UNIDENTIFIED
286 I/O CARD
Card Type | Multi I/O card |
Chipset/Controller | N/A |
I/O Options | Game port, parallel port, serial ports (2) |
Maximum DRAM | N/A |

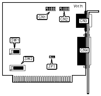
CONNECTIONS | |||
Purpose | Location | Purpose | Location |
Serial port 1 | CN1 | Game port | CN3 |
Serial port 2 | CN2 | Parallel port | CN4 |
SERIAL PORT CONFIGURATION | ||||
Port 1 (CN1) | Port 2 (CN2) | SW1/1 | SW1/2 | |
| » | COM1 | COM2 | On | On |
COM2 | COM3 | On | Off | |
COM3 | COM4 | Off | On | |
Disabled | Disabled | Off | Off | |
SERIAL PORT INTERRUPT SELECTION | ||||||
Port 1 | Port 2 | SW2/1 | SW2/2 | SW2/3 | SW2/4 | |
| » | IRQ4 | IRQ3 | On | Off | Off | On |
IRQ3 | IRQ4 | Off | On | On | Off | |
PARALLEL PORT ADDRESS SELECTION | |||
LPT | JP1 | SW1/4 | |
| » | 1 | Pins 2 & 3 closed | On |
2 | Pins 1 & 2 closed | On | |
Disabled | N/A | Off | |
PARALLEL PORT CONFIGURATION | ||
Setting | SW1/4 | |
| » | Enabled | On |
Disabled | Off | |
PARALLEL PORT INTERRUPT SELECTION | |||
IRQ | SW2/5 | SW2/6 | |
| » | 7 | Off | On |
5 | On | Off | |