NCL AMERICA
NCL 540, NCL 541
Data bus: 8-bit, ISA
Size: Half-length, full-height card
Hard drives supported: Up to seven SCSI devices
Floppy drives supported: NCL 540: Two 360KB, 720KB, 1.2MB, or 1.44MB
NCL 541: None
Maximum heads/cyl.: 16 heads and 2048 cylinders

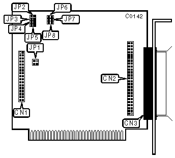
CONNECTIONS | |
Function | Location |
34-pin data cable connector-floppy drive (NCL 540 only) | CN1 |
50-pin SCSI connector-internal | CN2 |
25-pin SCSI connector-external | CN3 |
USER CONFIGURABLE SETTINGS | |||
Function | Location | Setting | |
| » | Floppy drive port address is 3F2-3F7h (540 only) | JP1 | pins 1 & 2 closed |
Floppy drive port address is 372-377h (540 only) | JP1 | pins 1 & 2 open | |
| » | Factory configured - do not alter | JP1 | pins 3 & 4 closed |
| » | Zero wait state disabled | JP5 | open |
Zero wait state enabled | JP5 | closed | |
INTERRUPT REQUEST | ||||
IRQ | Jumper JP2 | Jumper JP3 | Jumper JP4 | |
| » | IRQ 2 | open | open | closed |
IRQ5 | open | closed | open | |
IRQ7 | closed | open | open | |
BIOS ADDRESS | ||||
Address | Jumper JP6 | Jumper JP7 | Jumper JP8 | |
| » | C800h | open | open | closed |
CC00h | closed | open | closed | |
D800h | open | open | open | |
DC00h | closed | open | open | |
E000h | open | closed | open | |
E400h | closed | closed | open | |
D000h | open | closed | closed | |
D400h | closed | closed | closed | |