NCL AMERICA
NCL 5027
Data bus: 8-bit, ISA
Size: Half-length, full-height card
Hard drives supported: Two ST506/412 MFM drives
Floppy drives supported: None
Sector Interleave: 6:1

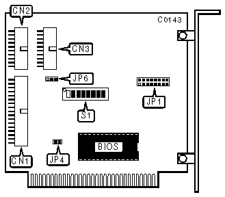
CONNECTIONS | |
Function | Location |
34-pin control cable connector | CN1 |
20-pin data cable connector-drive 0 | CN2 |
20-pin data cable connector-drive 1 | CN3 |
USER CONFIGURABLE SETTINGS | |||
Function | Location | Setting | |
| » | BIOS enabled | JP1/all | closed |
BIOS disabled | JP1/all | open | |
| » | Speed Recalibration set to slow | JP4 | closed |
Speed Recalibration set to fast or normal | JP4 | open | |
| » | Head select set up to 8 heads | JP6 | pins 1 & 2 closed |
Head select set up to 16 heads | JP6 | pins 2 & 3 closed | |
BIOS DRIVE TYPE TABLE FOR THE NCL5027 | |||||||||
Hd/Cyl | # | S1/1 | S1/2 | S1/3 | S1/4 | S1/5 | S1/6 | S1/7 | S1/8 |
7/699 | 1 | on | on | on | off | N/A | N/A | N/A | on |
6/612 | 1 | on | on | off | off | N/A | N/A | N/A | off |
2 | N/A | N/A | N/A | off | on | on | off | off | |
4/640 | 1 | on | off | on | off | N/A | N/A | N/A | off |
2 | N/A | N/A | N/A | off | on | off | on | off | |
4/612 | 1 | on | off | on | off | N/A | N/A | N/A | off |
2 | N/A | N/A | N/A | off | on | off | on | off | |
2/612 | 1 | off | on | on | off | N/A | N/A | N/A | off |
2 | N/A | N/A | N/A | off | off | on | on | off | |
2/306 | 1 | off | on | off | off | N/A | N/A | N/A | off |
2 | N/A | N/A | N/A | off | off | on | off | off | |
4/320 | 1 | off | off | on | off | N/A | N/A | N/A | off |
2 | N/A | N/A | N/A | off | off | off | on | off | |
4/306 | 1 | off | off | off | off | N/A | N/A | N/A | off |
2 | N/A | N/A | N/A | off | off | off | off | off | |
6/640 | 1 | on | on | on | on | N/A | N/A | N/A | off |
2 | N/A | N/A | N/A | on | on | on | on | off | |
5/733 | 1 | on | on | off | on | N/A | N/A | N/A | off |
2 | N/A | N/A | N/A | on | on | on | off | off | |
7/733 | 1 | on | off | on | on | N/A | N/A | N/A | on |
5/830 | 1 | on | off | off | on | N/A | N/A | N/A | on |
7/830 | 1 | off | on | on | on | N/A | N/A | N/A | on |
10/830 | 1 | off | on | off | on | N/A | N/A | N/A | on |
15/918 | 1 | off | off | on | on | N/A | N/A | N/A | on |
5/977 | 1 | off | off | off | on | N/A | N/A | N/A | on |
Note:SW1/switch 8 must be "on" before power-up to enable the drive splitting feature. | |||||||||
MISCELLANEOUS TECHNICAL NOTES |
Jumper JP2 is the port address jumper and is hard soldered at the factory to 320h. Jumpers JP3, 5, 7, 8, and 9 are Not used and their exact location is unknown. |