MYLEX
BT-747C
Card Type | Hard drive controller card |
Hard Drives supported | Up to 7 SCSI devices |
Floppy drives supported | Two 360KB, 720KB, 1.2MB, or 1.44MB drives |
Data Bus | 32-bit EISA |
Card Size | Half-length, full-height card |

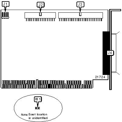
CONNECTIONS | |||
Function | Location | Function | Location |
4-pin connector - drive active LED | J1 | 50-pin SCSI connector - internal | J3 |
34-pin cable connector - floppy drive | J2 | 50-pin SCSI connector - external | J4 |
USER CONFIGURABLE SETTINGS | |||
Function | Label | Position | |
| » | Floppy drive interface enabled | W1 | Closed |
| Floppy drive interface disabled | W1 | Open | |