APPIAN TECHNOLOGY
JERONIMO J2/N (4MB)
Card Type | Video card |
Video Chip Set | Cirrus Logic |
Highest Resolution Supported | 1600 x 1200 |
Maximum Video Memory | Unidentified |
Data Bus | 32-bit PCI |
Video Types Supported | CGA, VGA, TARGA, XVGA |

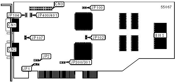
CONNECTIONS | |||
Function | Label | Function | Label |
15-pin analog video port 1 | CN1 | VESA feature connector | CN3 |
15-pin analog video port 2 | CN2 | ||
USER CONFIGURABLE SETTINGS | |||
Function | Label | Position | |
Channel 1 interrupt enabled | JP1 | Pins 2 & 3 closed | |
Channel 1 interrupt disabled | JP1 | Pins 1 & 2 closed | |
Channel 2 interrupt enabled | JP2 | Pins 2 & 3 closed | |
Channel 2 interrupt disabled | JP2 | Pins 1 & 2 closed | |
| » | Factory configured - do not alter | JP12 | Unidentified |
| » | Factory configured - do not alter | JP13 | Unidentified |
Primary VGA enabled | JP100 | Open | |
Primary VGA disabled | JP100 | Closed | |
| » | Factory configured - do not alter | JP101 | Unidentified |
| » | Factory configured - do not alter | JP102 | Unidentified |
| » | Factory configured - do not alter | JP103 | Unidentified |
Channel 1 CSYNC compatibility enabled | JP104 | Closed | |
Channel 1 CSYNC compatibility disabled | JP104 | Open | |
Channel 2 CSYNC compatibility enabled | JP107 | Closed | |
Channel 2 CSYNC compatibility disabled | JP107 | Open | |
Manual bottom channel slot selection enabled | JP300/301 | Pins 1 & 2 closed | |
Automatic bottom channel slot selection enabled | JP300/301 | Pins 2 & 3 closed | |
I2C communication channel enabled | JP400/401 | Open | |
I2C communication channel disabled | JP400/401 | Closed | |
Note: Location and orientation of factory configured jumpers JP12, JP13, JP101 & JP103 are unidentifed | |||