ACER, INC.
ENHANCED GRAPHICS CARD (P/N 49.05211.003)
Card Type | Video card |
Video Chip Set | Unidentified |
Highest Resolution Supported | 640 x 200 |
Maximum Video Memory | 256KB DRAM (location unidentified) |
Data Bus | 8-bit ISA |
Video Types Supported | EGA |

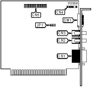
CONNECTIONS | |||
Function | Label | Function | Label |
9-pin analog video port | CN1 | Light Pen connector | CN4 |
RCA connector | CN2 | Feature connector | CN5 |
RCA connector | CN3 | ||
USER CONFIGURABLE SETTINGS | |||
Function | Label | Position | |
| » | Factory configured - do not alter | JP1 | pins 1&2 closed |
Intelligent mode selection enabled | SW1/5 | On | |
Intelligent mode selection disabled | SW1/5 | Off | |
| » | Factory configured - do not alter | SW1/6 | N/A |
MONITOR SELECTION | ||||
Type | SW1/1 | SW1/2 | SW1/3 | SW1/4 |
Monochrome | Off | Off | On | Off |
Standard RGB | Off | Off | Off | On |
Enhanced RGB | Off | On | On | Off |